EasyManua.ls Logo

Arylic Up2Stream HD DAC - Page 10

Arylic Up2Stream HD DAC
24 pages
Print Icon
To Next Page IconTo Next Page
To Next Page IconTo Next Page
To Previous Page IconTo Previous Page
To Previous Page IconTo Previous Page
Loading...
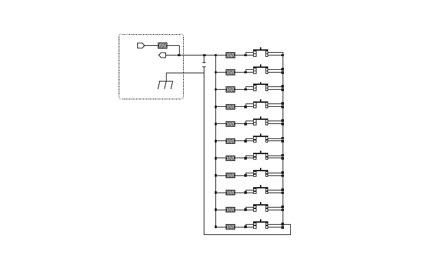
7. Button board Connection Diagram
External button board connection diagram
100R
MODE
1K
PLAY/ PAUSE
2.2K
NEXT
3.6K
PREY
5.6K
VOL+
8.2K
VOL-
12K
MUTE
18K
NUM 1
27K
NUM 2
47K
NUM 3
100K
NUM 4
0.1uF
DGND
KEY
VDD
3V3
10K
HD DAC

Related product manuals