EasyManua.ls Logo

Astralpool PRO-ELYO INVERBOOST 48707M - Page 137

Astralpool PRO-ELYO INVERBOOST 48707M
Print Icon
To Next Page IconTo Next Page
To Next Page IconTo Next Page
To Previous Page IconTo Previous Page
To Previous Page IconTo Previous Page
Loading...
- 134 -
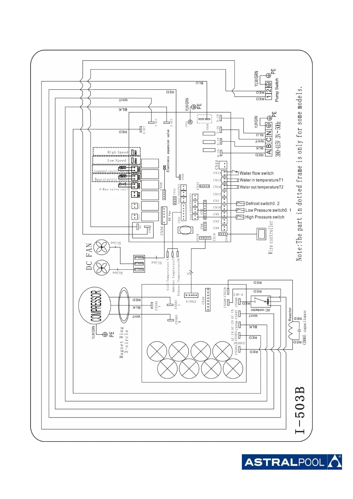
5.3 Umrichter Schwimmbad WƤrmepumpe Schaltplan
48711T/48712T