EasyManua.ls Logo

Astralpool PRO-ELYO INVERBOOST 48707M - Electrical Wiring Diagrams; Wiring Diagram Models 48706 M-48710 M

Astralpool PRO-ELYO INVERBOOST 48707M
Print Icon
To Next Page IconTo Next Page
To Next Page IconTo Next Page
To Previous Page IconTo Previous Page
To Previous Page IconTo Previous Page
Loading...
- 52 -
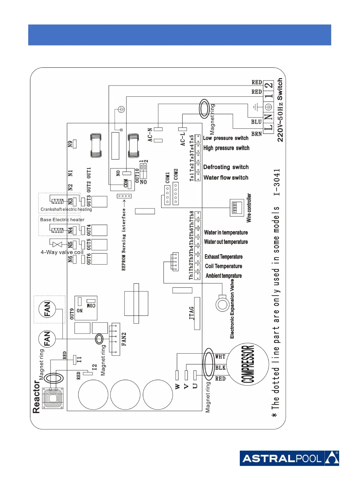
6.1 Inverter swimming pool heat pump wiring diagram
Ref.48706M/48707M/48708M/48709M/48710M
6.
6.
6.
Electrical
Electrical
Electrical
Wiring
Wiring
Wiring

Related product manuals