EasyManua.ls Logo

Astralpool PRO-ELYO INVERBOOST 48707M - Page 83

Astralpool PRO-ELYO INVERBOOST 48707M
Print Icon
To Next Page IconTo Next Page
To Next Page IconTo Next Page
To Previous Page IconTo Previous Page
To Previous Page IconTo Previous Page
Loading...
- 80 -
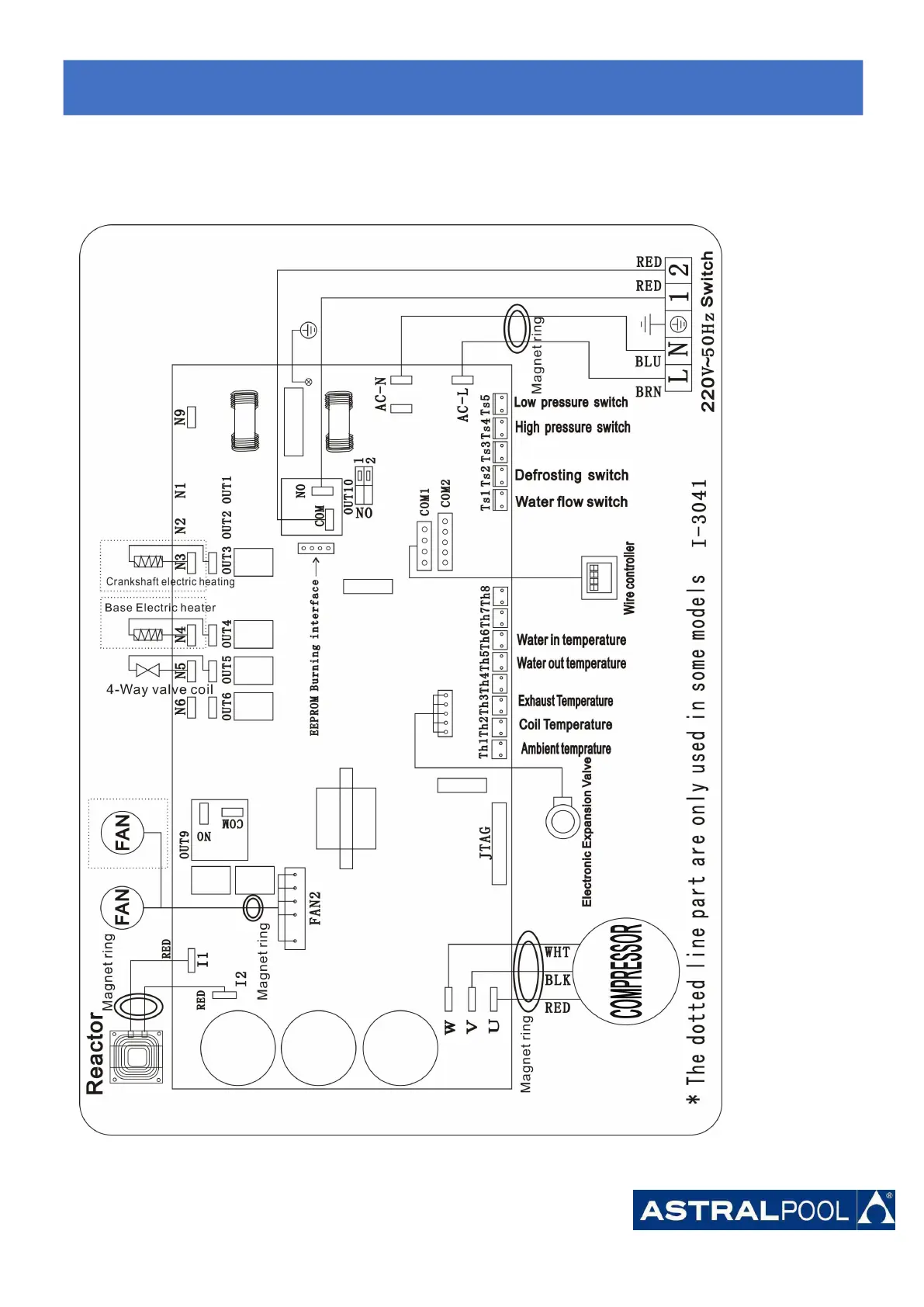
6. Elektrische bedrading
6.1 ZWEMBAD WARMTEPOMP BEDRADING SCHEMA
f. 48706M/48707M/48708M/48709M/48710M
6.
6.
6.
Elektrische
Elektrische
Elektrische
schema
schema
schema

Related product manuals