EasyManua.ls Logo

Asus A6J - LAN RTL8111 B

Asus A6J
63 pages
Print Icon
To Next Page IconTo Next Page
To Next Page IconTo Next Page
To Previous Page IconTo Previous Page
To Previous Page IconTo Previous Page
Loading...
5
5
4
4
3
3
2
2
1
1
D D
C C
B B
A A
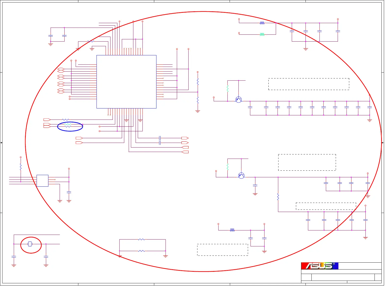
0.1uF are for AVDDL
pins - 5,8,11 and
14
Caps are for VDD1A pins
0.1uF are for RTL8111B VDD1 pins -
15,21,32,33,38,41,43,49,52 and 58.
0.1uF are for AVDDH
pins - 2 and 59.
Custom
31 63Tuesday, November 22, 2005
ASUSTek COMPUTER INC
LAN_RTL8111B
2.0
A6J
Marco Chen
<Variant Name>
Size Project Name
Rev
Date: Sheet
of
Title :
Engineer:
EESK
1.8V_CTL
EEDI
1.8V_CTL
X1_LAN
1.5V_CTL
EEDO
X2_LAN
EEDI
EECS
EESK
EEDO
1.5V_CTL
EECS
X1_LAN
X2_LAN
+3V_AVDD
+3V_LAN
+1.5V_LAN
+3V_LAN
+3V_LAN
EGND
+1.5V_LAN
+3V
+3V_LAN
GND
+3V_LAN
GND
+3VS
+3V_LAN
GND
+1.5V_LAN
+1.8V_EVDD
+1.5V_LAN
+3V_LAN
GND GND
+1.8V_LAN
+3VSUS
GND
+3V_LAN +3V_AVDD
+1.8V_EVDD
GND
GND
GND
EGND
GND
+1.5V_LAN
EGND
+3V_LAN
+1.8V_LAN
EGND
+3V_AVDD
GND
GND
GNDGND
C3115
0.1UF/16V
12
C3129
100PF/50V
NPO
12
C3102 0.1UF
1 2
C3119
10UF/10V
Y5V
12
B
C
E
1
2
3
Q3101
2SB1424
U3101
RTL8111B
1
2
3
4
5
6
7
8
9
10
11
12
13
14
15
16
17
18
19
20
21
22
23
24
25
26
27
28
29
30
31
32
33
34
35
36
37
38
39
40
41
42
43
44
45
46
47
48
49
50
51
52
53
54
55
56
57
58
59
60
61
62
63
64
65
VCTRL18
AVDD33_1
MDIP0
MDIN0
AVDD18_1
MDIP1
MDIN1
AVDD18_2
MDIP2
MDIN2
AVDD18_3
MDIP3
MDIN3
AVDD18_4
VDD15_1
VDD33_1
NC1
NC2
LANWAKEB
PERSTB
VDD15_2
EVDD18_1
HSIP
HSIN
EGND1
REFCLK_P
REFCLK_N
EVDD18_2
HSOP
HSON
EGND2
VDD15_3
VDD15_4
NC3
NC4
ISOLATEB
VDD33_2
VDD15_5
NC5
NC6
VDD15_6
NC7
VDD15_7
EECS
EEDO
VDD33_3
EEDI/AUX
EESK
VDD15_8
NC8
NC9
VDD15_9
VDD33_4
LED3
LED2
LED1
LED0
VDD15_10
AVDD33_2
CKTAL1
CKTAL2
GVDD
VCTRL15
RSET
GND
R3121 0Ohm
1 2
R3104
15KOhm
12
R3106 0Ohm@
12
C3107
10UF/10V
Y5V
12
L3103
80Ohm/100Mhz
21
C3116
0.1UF/16V
12
L3101
80Ohm/100Mhz
21
C3108
0.1UF/16V
12
R3107 0Ohm
12
C3132
0.1UF/16V
12
R3101 2.49KOhm
1%
1 2
12
X3101
25Mhz
C3136
0.1UF/16V
12
U3102
AT93C46
1
2
3
4 5
6
7
8
CS
SK
DI
DO GND
ORG
DC
VCC
C3101 0.1UF
1 2
R3120
4.7KOhm
@
12
C3117
0.1UF/16V
12
C3106
0.1UF/16V
12
C3135
0.1UF/10V
X7R
12
C3113
0.1UF/16V
12
C3138
4.7UF/6.3V
X5R
12
C3120
0.1UF/16V
12
R3122 0Ohm
1 2
C3110
0.1UF/16V
12
C3124
10UF/10V
Y5V
12
R3108
3.6KOhm
1 2
C3128
0.1UF/16V
12
C3109
0.1UF/16V
12
R3103
4.7KOhm
@
12
C3133
27PF/50V
NPO
12
R3105 0Ohm
12
C3112
0.1UF/16V
12
C3104
0.1UF/16V
12
C3105
0.1UF/16V
12
C3121
0.1UF/16V
12
C3137
0.1UF/16V
12
C3134
27PF/50V
NPO
12
R3102
1KOhm
1 2
C3114
0.1UF/16V
12
R3119
0Ohm
r0603_h24
12
C3127
0.1UF/16V
12
C3118
1UF/6.3V
X5R
12
C3130
100PF/50V
NPO
12
C3103
0.1UF/16V
12
C3111
0.1UF/16V
12
L3102
80Ohm/100Mhz
@
21
B
C
E
1
2
3
Q3102
2SB1424
C3131
0.1UF/16V
12
PCIE_RXP1_SB 24PCIE_RXN1_LAN24
CLK_PCIE_LAN 5
PCIE_RXN1_SB 24PCIE_RXP1_LAN24
CLK_PCIE_LAN# 5
PLT_RSTNS#30,36,39
PCIE_WAKE#25,39
PCI_RST#24,42
L_TRDP032
L_TRDP232
L_TRDM032
L_TRDM332
L_TRDP132
L_TRDP332
L_TRDM132
L_TRDM232

Related product manuals