EasyManua.ls Logo

Asus P2B - Setting up the Asus Cidb; Asus Cidb Additional Considerations

Asus P2B
68 pages
Print Icon
To Next Page IconTo Next Page
To Next Page IconTo Next Page
To Previous Page IconTo Previous Page
To Previous Page IconTo Previous Page
Loading...
ASUS P2B User’s Manual60
VI. APPENDIX
Normal
Clear
Clear:
Stops the sounding alarm
CLR
CLR
Enable
Disable
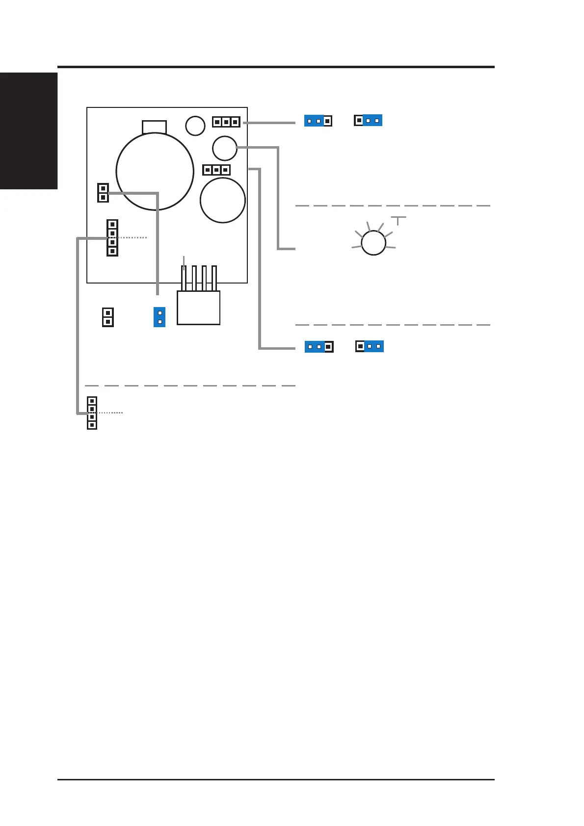
JP1:
Enable/Disable
the Photo Sensor
JP1
JP1
1
1
MS1
MS2
MS1/MS2:
Micro Switch from the chassis
panel can be connected here
to trigger the chassis intrusion
alarm.
Enable
Disable
SW:
Enable/Disable chassis intrusion
function in the motherboard
SW
SW
1
1
Setting up the ASUS CIDB
CON:
Sensitivity adjustment for the
photo sensor, (0) is least sensitive
and (5) is most sensitive
CON
1
2
3
4
5
0
(not sensitive)
best range
(sensitive)
CR2032 3V
Lithium Cell
Buzzer
MS1
CLR
JP1
CON
OR
SW
MS2
+5 volt standby
from power supply
ASUS CIDB Additional Considerations
1. All motherboards with CIDB: If there is no power to the motherboard (i.e. re-
moving the power cord or turning the power supply’s switch off) the alarm will
not sound but the CIDB will still remember an intrusion event which BIOS and
LDCM will detect on the next bootup.
2. Motherboard with chassis intrusion components: Photo sensor, switch, and
memory will not operate with power removed. Power is required to send a signal
to the motherboard’s intrusion memory and buzzer. When using the CIDB on
these motherboards, all the CIDB functions will be disabled, the motherboard’s
intrusion components must still be used. The CIDB can benefit these mother-
boards by providing a chassis switch which will operate even when the power is
removed. Pins [2-3] of the SW jumper can be used for a momentary toggle switch
and the CIDB’s battery will be used to send an intrusion signal to the motherboard’s
intrusion memory.
VI. APPENDIX
ASUS CIDB Module

Table of Contents

Related product manuals