EasyManua.ls Logo

Asus P5Q WS - Motherboard Overview; Motherboard Layout

Asus P5Q WS
176 pages
To Next Page IconTo Next Page
To Next Page IconTo Next Page
To Previous Page IconTo Previous Page
To Previous Page IconTo Previous Page
Loading...
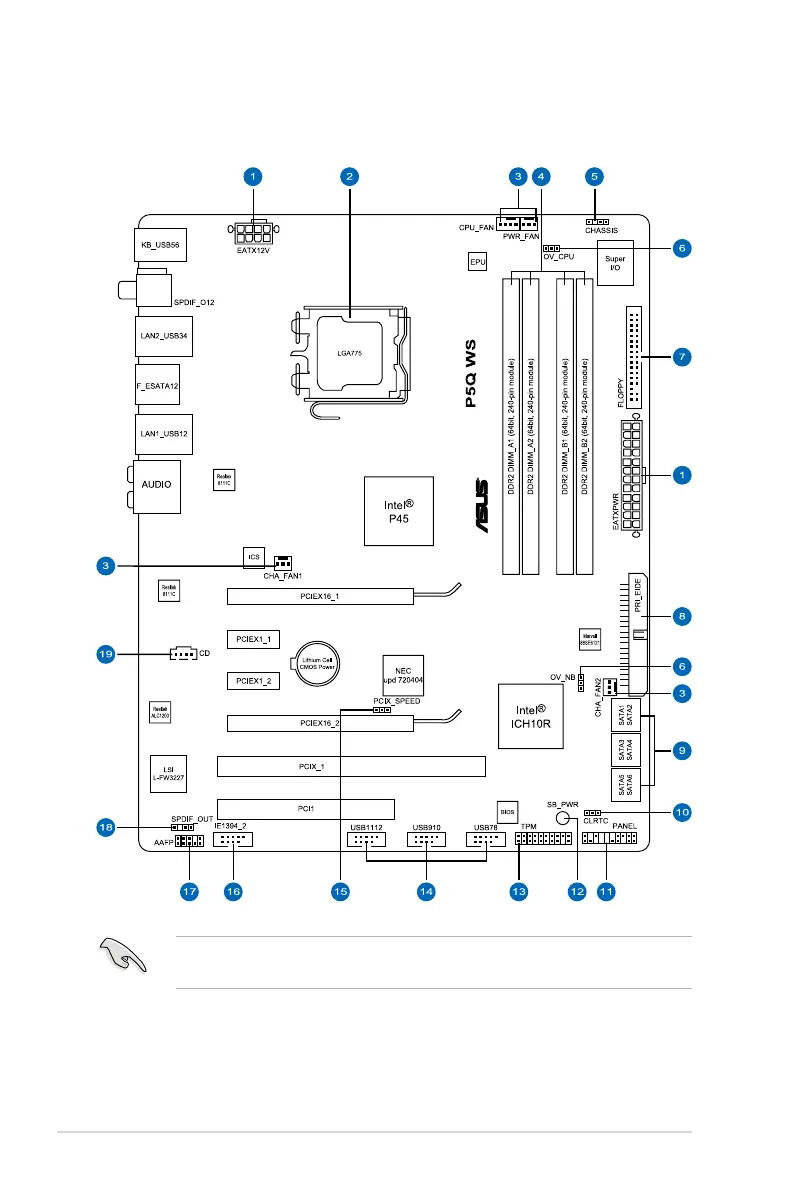
2-2 Chapter 2: Hardware information
2.2 Motherboard overview
2.2.1 Motherboard layout
Refer to
2.7 Connectors
for more information about rear panel connectors and
internal connectors.

Table of Contents

Related product manuals