EasyManua.ls Logo

ATI Technologies GasSens - Page 47

ATI Technologies GasSens
49 pages
Print Icon
To Next Page IconTo Next Page
To Next Page IconTo Next Page
To Previous Page IconTo Previous Page
To Previous Page IconTo Previous Page
Loading...
GasSens Gas Detection System Section 5 - A11-10 Br
2
Sensor/Transmitter
O & M Manual
Revision E, 10/15 5 - 9
Br
2
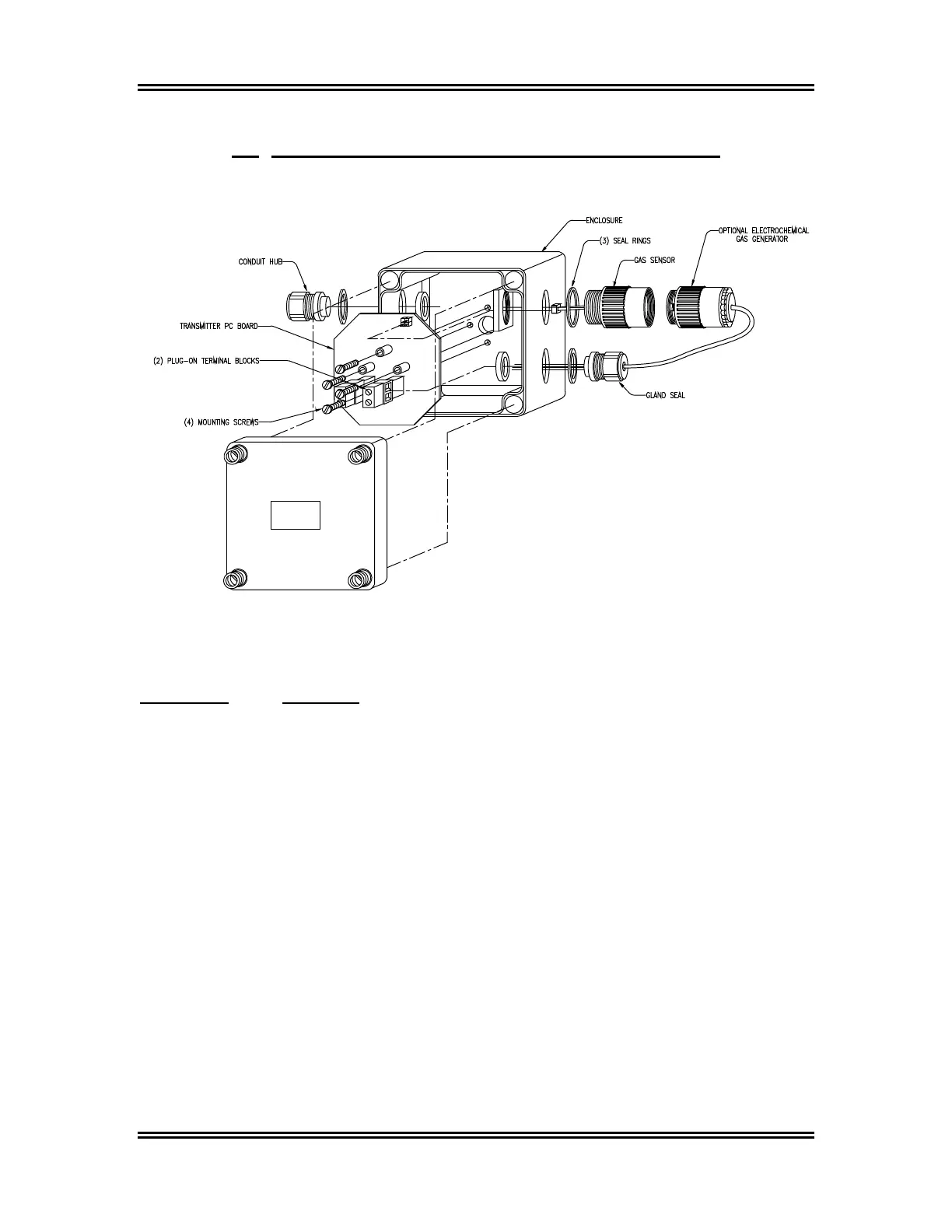
SENSOR/TRANSMITTER PARTS LIST
Part Number
Description
00-0119 Complete bromine sensor/transmitter assembly (including sensor)
00-0002 Bromine gas sensor
00-0097 Chlorine gas generator with gland seal (used to Auto-Test Br
2
systems)
01-0018 Transmitter circuit board
80-0012 NEMA 4X enclosure (top and bottom)
38-0002 Terminal block plug, 2 position
92-0005 Self-tapping screw (#8 x 1/2")
44-0017 1/2" NPT conduit hub
44-0018 Seal ring (required for NEMA 4X rating on fittings)