EasyManua.ls Logo

Atlantic CORFIRST - Page 66

Atlantic CORFIRST
Print Icon
To Next Page IconTo Next Page
To Next Page IconTo Next Page
To Previous Page IconTo Previous Page
To Previous Page IconTo Previous Page
Loading...
U0594061-D66 / 82 CORFIRST / CORSUN 2 / CORFLOW
EN
IT
ES
DE
NL
FR
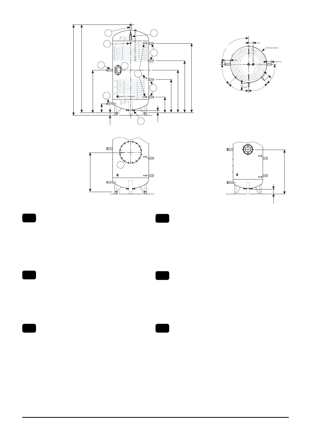
1. Piquage pour sonde de température
2. Piquage pour thermomètre
3. Entrée / sortie serpentin
4. a Entrée eau froide
4. b Retour de boucle
4. c Départ eau chaude
5. Raccordement vidange
6. Anneau de levage
7. Bride / Trou d'homme
1. Thermal well for thermostat or temperature sensor
2. Sleeve for thermometer
3. Coil inlet / outlet
4. a Cold water inlet
4. b Loop return
5. Drainage connection
6. Hot water ow
7. Eyebolt
8. Flange / Manhole
1. Dedo de guante para termostato o sonda de
temperatura.
2. Manguito para termómetro
3. Entrada / salida del serpentín
4. a Entrada de agua fría
4. b Retorno de bucle
5. Conexión de vaciado
6. Salida de agua caliente
7. Anillo de elevación
8. Brida / Boca de hombre
1. Pozzetto per termostato o sonda di temperatura
2. Manicotto per termometro
3. Ingresso/uscita serpentina
4. a Ingresso acqua fredda
4. b Ritorno condotto
5. Collegamento scarico
6. Partenza acqua calda
7. Anello di sollevamento
8. Flangia / Pozzetto
1. Schutzrohr für Thermostat oder Temperaturfühler
2. Muffe für Thermometer
3. Eingang / Ausgang Rohrschlange
4. a Eingang Kaltwasser
4. b Rückkreislauf
5. Anschluss für Thermometer
6. Start Warmwasser
7. Ringschraube
8. Flansch / Mannloch
1. Spruitstuk voor thermostaat of temperatuursensor
2. Mof voor thermometer
3. Ingang / uitgang spiraal
4. a Koudwateringang
4. b Terugvoerkring
5. Aansluiting afvoer
6. Vertrekpunt warm water
7. Hefring
8. Plaat / Mangat
CORSUN 2
3
2
3
4b
4a
4c
5
6
7
7
H
R
E
D
HT
C2
500 L
F
F
C1
100
100
Ø DN
90°
100
100
130
45°
45°
45°
45°
A
B
1
G
J
C1

Related product manuals