EasyManua.ls Logo

Atlantic CORFIRST - Page 72

Atlantic CORFIRST
Print Icon
To Next Page IconTo Next Page
To Next Page IconTo Next Page
To Previous Page IconTo Previous Page
To Previous Page IconTo Previous Page
Loading...
U0594061-D72 / 82 CORFIRST / CORSUN 2 / CORFLOW
DE
SCHÉMA HYDRAULIQUE
FR
IT
NL
ES
EN
HYDRAULIC DIAGRAM
ESQUEMA HIDRÁULICO
SCHEMA IDRAULICO
HYDRAULISCHER SCHALTPLAN
HYDRAULISCHE SCHEMA
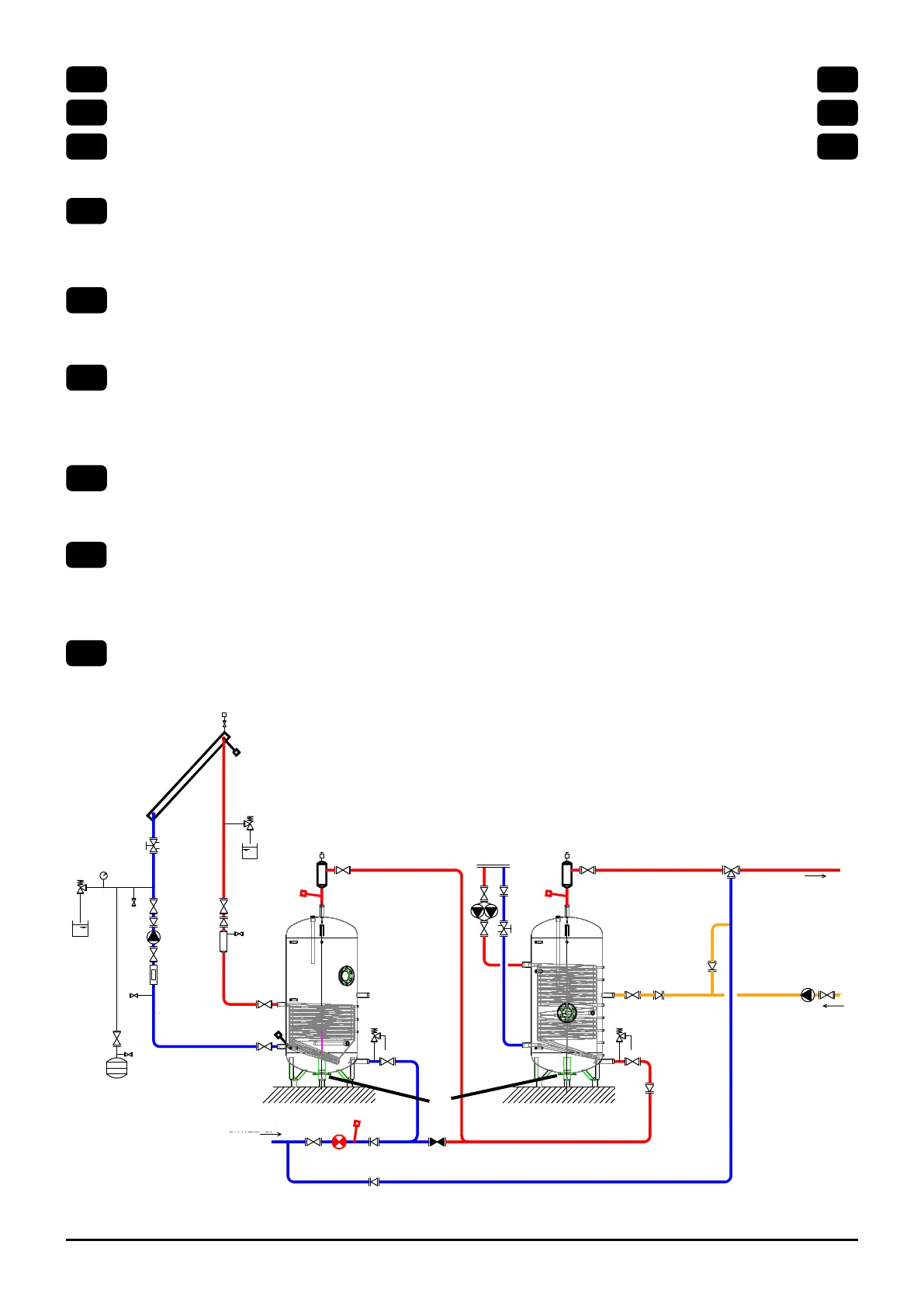
Schéma surface des capteurs < à 40m² :
Production d’ECS solaire collective avec un ballon à 1 serpentin CORFIRST, un appoint composé
d’un préparateur d’ECS CORFLOW. Voir Schémathèque Solaire Collectif.
FR
EN
IT
ES
DE
NL
Surface circuit diagram for sensors < 40m²:
Collective solar DHW production with a 1 coil CORFIRST, backup heating provided by a CORFLOW
DHW heater. See Collective Solar circuit diagram.
Esquema para captadores con supercies < 40 m²:
Producción de agua caliente sanitaria colectiva mediante energía solar a través de un depósito
acumulador con 1 serpentín CORFIRST complementado por un preparador de agua caliente
sanitaria CORFLOW. Ver representación esquemática colectiva del sistema de energía solar.
Schema supercie dei sensori < 40 m²:
Produzione di ACS solare collettiva con un accumulatore con 1 serpentina CORFIRST,
un’integrazione composta da un preparatore di ACS CORFLOW. Vedere Schema Solare Collettivo.
Schema Kollektorenäche < 40m²:
Solar-Warmwasserbereiter für Gruppenversorgung mit einem Warmwasserspeicher mit 1
CORFIRST-Rohrschlange, einem CORFLOW-Warmwasserbereiter als Nachheizung. Siehe
Anschlussplan der Solaranlage für Gruppenversorgung.
Schema oppervlakte van de collectoren < 40m²:
Productie van collectieve zonne-warmwaterenergie via een tank met 1 spiraalbuis CORFIRST, een
hulpstuk bestaande uit een CORFLOW voorverwarmer. Zie schema collectieve zonne-energie.
FR - Depuis générateur de chaleur
EN - From heat generator
ES - Procedente del generator de calor
IT - Dal generator di calore
DE - Vom Wärmeerzeuger ausgehend
NL - Vanuit warmtegenerator
FR - Entrée eau froide
EN - Cold water inlet
ES - Entrada de agua fria
IT - Ingresso acqua fredda
DE - Eingang Kaltwasser
NL - Koudwateringang
FR - Sortie eau chaude
EN - Hot water ow
ES - Salida de agua caliente
IT - Partenza acqua calda
DE - Start Warmwasser
NL - Vertrekpunt warm water
FR - Retour de boucle
EN - Loop return
ES - Retorno de bucle
IT - ritorno condotto
DE - Rückkreislauf
NL - Terugvoerkring
FR - Vidange
EN - Drain
ES - Desagüe
IT - Valvola di spurgo
DE - Entleerung
NL - Aftappen

Related product manuals