EasyManua.ls Logo

Atlantic F120 Design - SELECT PROGRAM FOR EACH DAY OF THE WEEK; PROGRAMS CHANGE

Atlantic F120 Design
28 pages
Print Icon
To Next Page IconTo Next Page
To Next Page IconTo Next Page
To Previous Page IconTo Previous Page
To Previous Page IconTo Previous Page
Loading...
EN
5
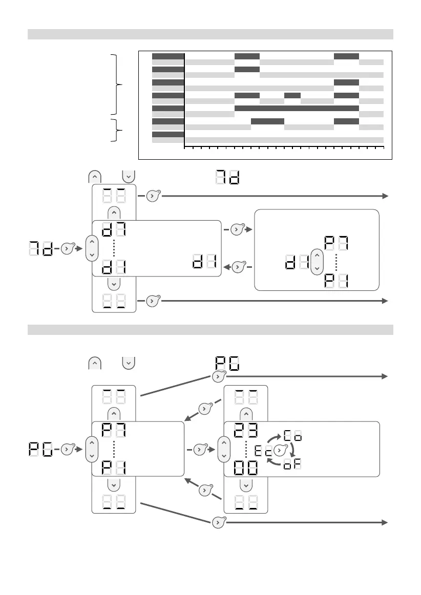
SELECT PROGRAM FOR EACH DAY OF THE WEEK
7 programs are preset. By default, programs are already assigned for each day
Monday
d1
P1
P1
Comfort
6h
18h
Eco
0h
9h
21h
Tuesday
d2
P2
Comfort
6h
Eco
0h
9h
Wednesday
d3
P3
Comfort
18h
Eco
0h
21h
Thursday
d4
P4
Comfort
6h
12h
18h
Eco
0h
9h
14h
21h
Friday
d5
P5
Comfort
6h
Eco
0h
21h
Saturday
d6
P6
P6
Comfort
8h
18h
Eco
0h
12h
21h
Sunday
d7
P7
Comfort
Eco
0h
0h
6h
12h
18h
24h
It is possible to change the program for the day you want.
Using buttons and , select parameter
Repeat these steps to select the program for each day of the week.
PROGRAMS CHANGE
It is possible to change the preset programs. For each program (from P1 to P7) it is
possible to select operating mode hourly (from 0 to 23 hours).
Using buttons and , select parameter
Repeat these steps to change all programs.
Select program from P1 to P7
for selected day
Select a day for
programming e.g.
Monday
Select the
program for
changing
Select the
operating mode
for each hour

Related product manuals