EasyManua.ls Logo

Atlas Copco LE7

Atlas Copco LE7
74 pages
To Next Page IconTo Next Page
To Next Page IconTo Next Page
To Previous Page IconTo Previous Page
To Previous Page IconTo Previous Page
Loading...
Instruction book
(
1
)
(3)
(14)
(5)
(4)
9821 0468 00/8
55755D
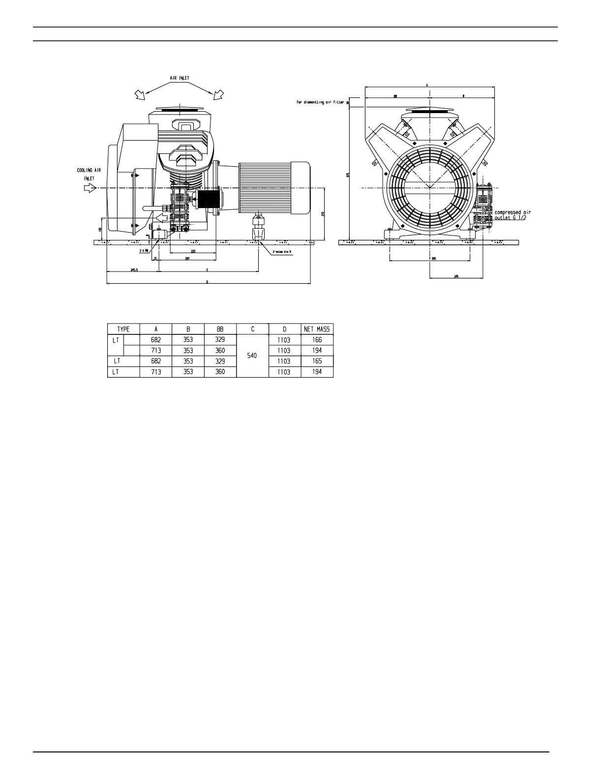
15
20
15-30
20-30
See page 35 for the text on this figure
Fig. 2.4 Dimension drawing, LT15, -20 and LT15-30, LT20-30 Power Pack
2920 1585 00 - 18 -

Table of Contents

Related product manuals