EasyManua.ls Logo

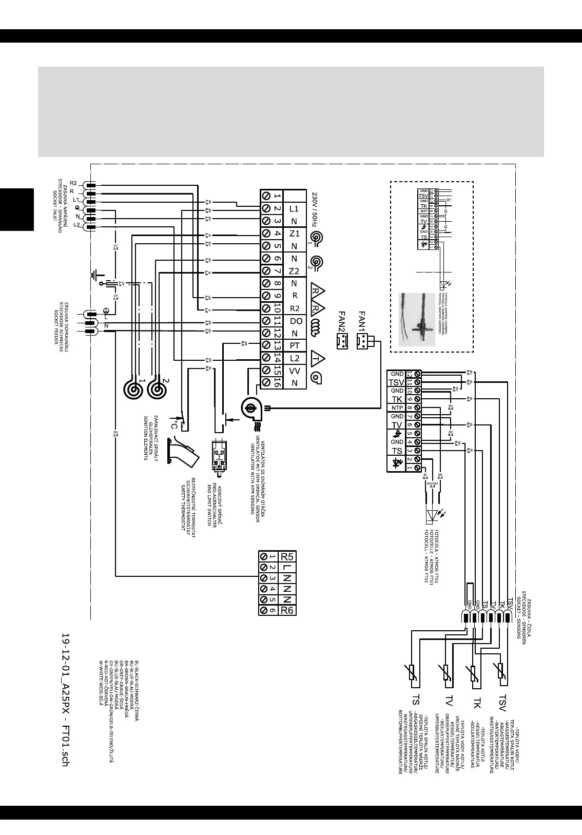
Atmos A25 - Electric Diagram of the ATMOS A25 Burner - for Boilers DxxPX, PXxx and Pxx Compact - AC07 X Model (R, R2, Sensors TV, TS, TK, TSV) with Additional Module AC07 X-C - (R5, R6) - Basic Version

Atmos A25
96 pages
Print Icon
To Next Page IconTo Next Page
To Next Page IconTo Next Page
To Previous Page IconTo Previous Page
To Previous Page IconTo Previous Page
Loading...
EN
www.atmos.cz
34-EN
Operation and maintenance manual - EN
27. Electric diagram of the ATMOS A25 burner - for boilers
DxxPX, PXxx and Pxx Compact - AC07X model (R, R2,
sensors TV, TS, TK, TSV) with additional module AC07X-C
- (R5, R6) - basic version
Modul AC07X-C
variant - old photocell Danfoss (Siemens)