EasyManua.ls Logo

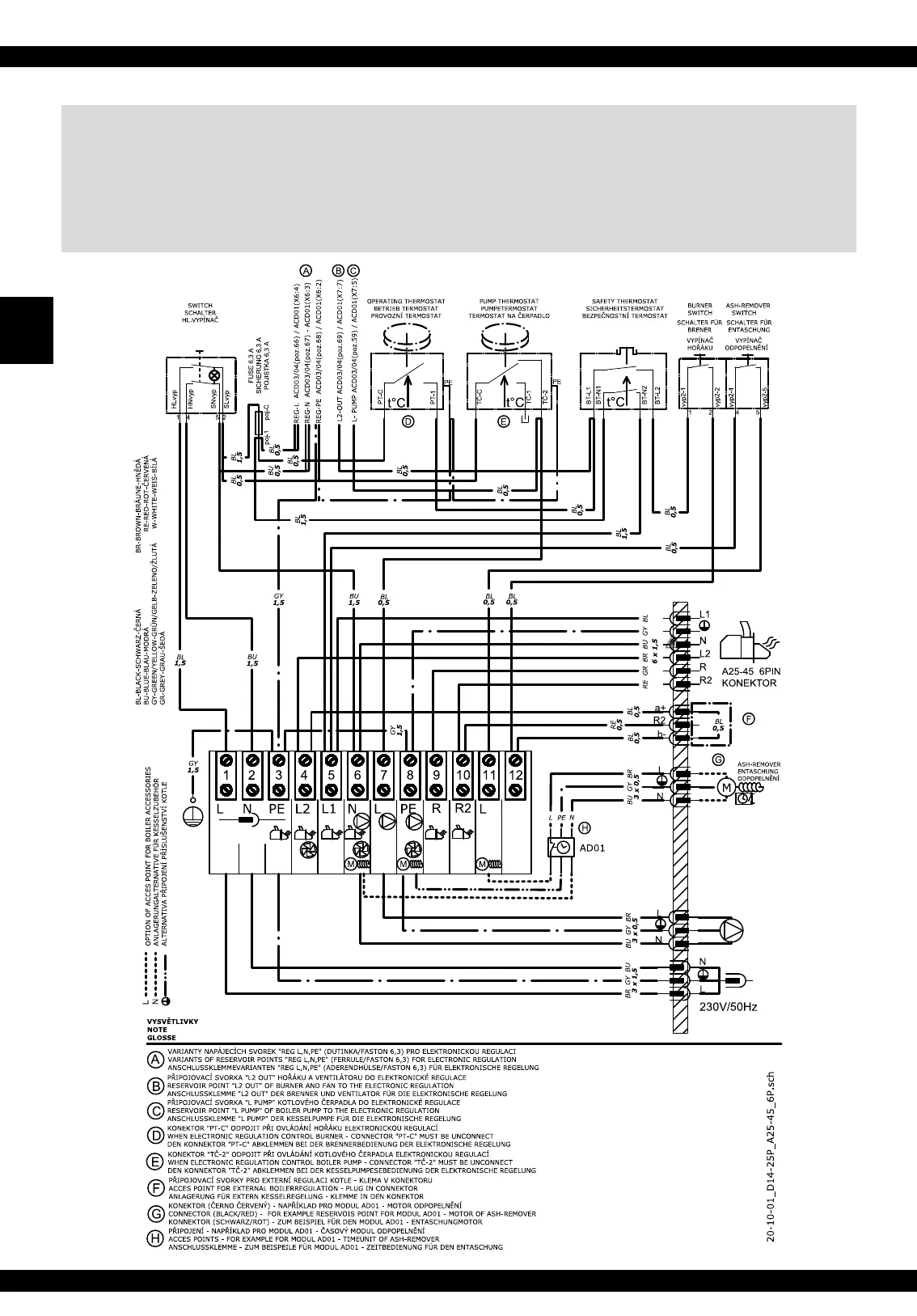
Atmos A25 - Electric Wiring Diagram of the D14 P, P14, D21 P, P21, D25 P, P25, D14 P Compact, D21 P Compact, D25 P Compact Boilers - Model with a 6-pin Connector on the Boiler and Modul AD02 to Control Boiler Pump

Atmos A25
96 pages
Print Icon
To Next Page IconTo Next Page
To Next Page IconTo Next Page
To Previous Page IconTo Previous Page
To Previous Page IconTo Previous Page
Loading...
EN
www.atmos.cz
36-EN
Operation and maintenance manual - EN
29. Electric wiring diagram of the D14P, P14, D21P, P21,
D25P, P25, D14P Compact, D21P Compact, D25P Compact
boilers - model with a 6-pin connector on the boiler and
modul AD02 to control boiler pump.