EasyManua.ls Logo

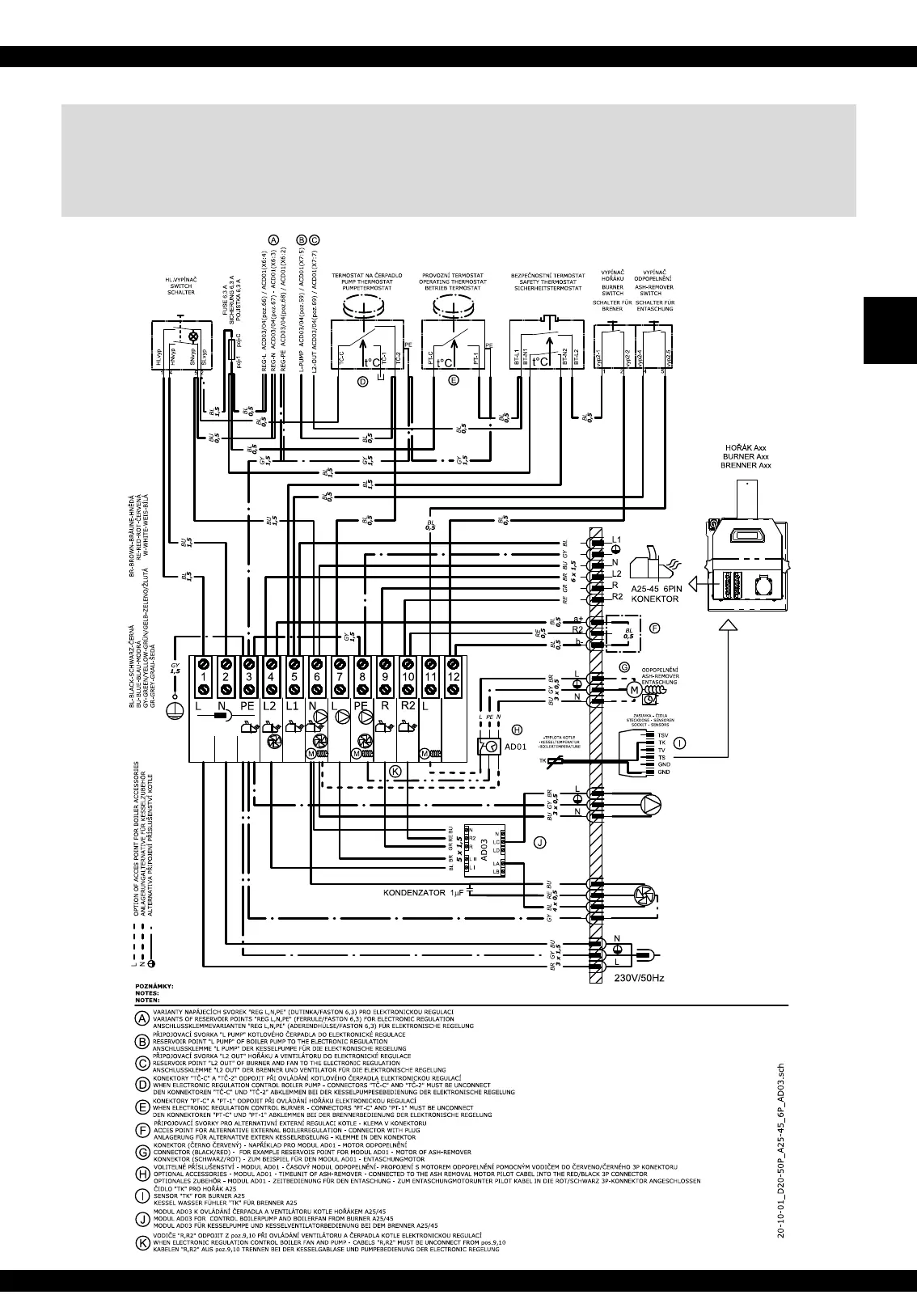
Atmos A25 - Electric Wiring Diagram of the D20 P, P20 Boiler - Model with a 6-pin Connector on the Boiler and Module AD03 - to Control Exhaust Fan of the Boiler and Pump in the Boiler Circuit

Atmos A25
96 pages
Print Icon
To Next Page IconTo Next Page
To Next Page IconTo Next Page
To Previous Page IconTo Previous Page
To Previous Page IconTo Previous Page
Loading...
Operation and maintenance manual - EN
EN
www.atmos.cz
EN-37
30. Electric wiring diagram of the D20P, P20 boiler - model with
a 6-pin connector on the boiler
and module AD03 - to control
exhaust fan of the boiler and pump in the boiler circuit