EasyManua.ls Logo

Atmos A25 - Electric Wiring Diagram of the DCxxSP(X), CxxSP, ACxxSP Boiler - Model with a 6-pin Connector on the Boiler and Module AD03 - to Control Exhaust Fan of the Boiler and Pump in the Boiler Circuit Old Boilers Version up to Serial Number 343500

Atmos A25
96 pages
Print Icon
To Next Page IconTo Next Page
To Next Page IconTo Next Page
To Previous Page IconTo Previous Page
To Previous Page IconTo Previous Page
Loading...
EN
www.atmos.cz
40-EN
Operation and maintenance manual - EN
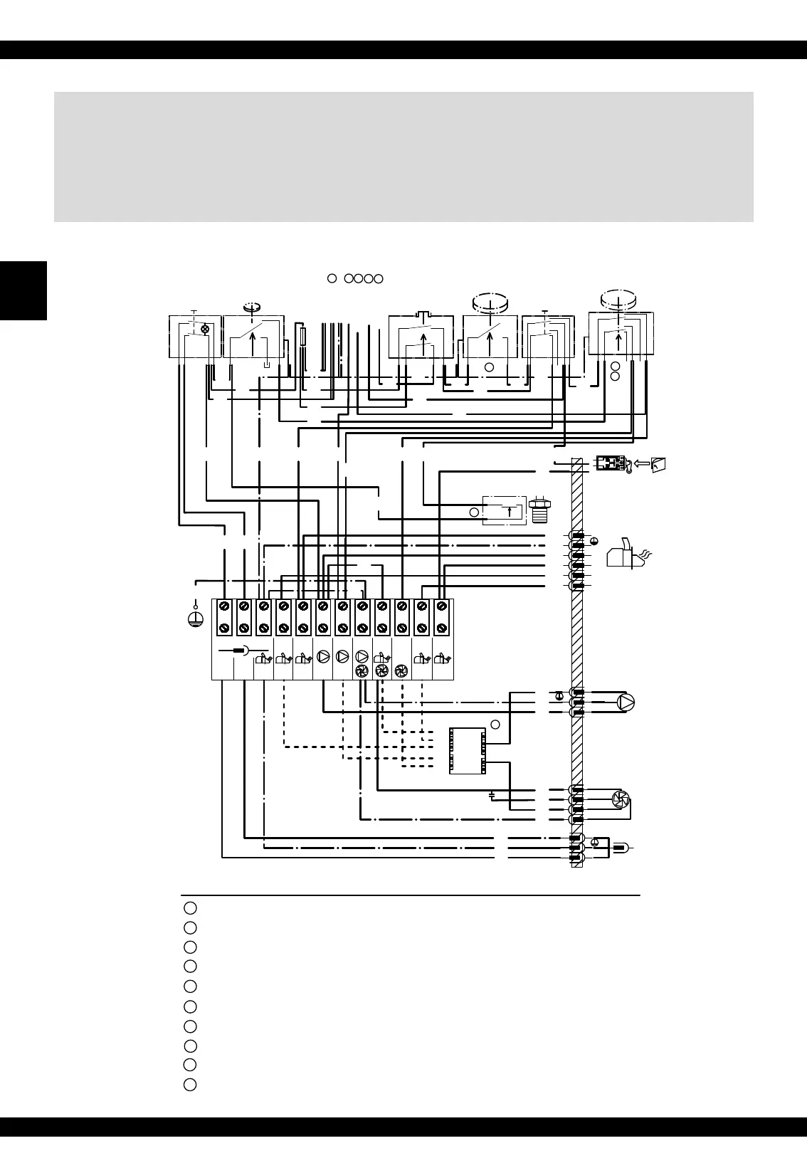
32. Electric wiring diagram of the
DCxxSP(X), CxxSP, ACxxSP
boiler - model with a 6-pin connector on the boiler and
module AD03 - to control exhaust fan of the boiler and
pump in the boiler circuit
Old boilers version up to serial number 343500
123456789101112
L
N PE
LN PE LN
L1
L2
R2
R
13-01-01_DCxxSP_A25-45_6P_AD03






















N
L
230V/50Hz






BLBLACKSCHWARZČERNÁ BRBROWNBRÄUNEHNĚDÁ
BUBLUEBLAUMODRÁ REREDROTČERVENÁ
GYGREEN/YELLOWGRÜN/GELBZELENO/ŽLUTÁ WWHITEWEISBÍLÁ
A
VARIANTS OF RESERVOIR POINTS "REG L,N,PE" (FERRULE/FASTON 6,3) FOR ELECTRONIC REGULATION
SPEISEKLEMMEVARIANTEN "REG L,N,PE" (ADERENDHÜLSE/FASTON 6,3) FÜR ELEKTRONISCHE REGELUNG
VARIANTY NAPÁJECÍCH SVOREK "REG L,N,PE" (DUTINKA/FASTON 6,3) PRO ELEKTRONICKOU REGULACI
B
C
D
E
RESERVOIR POINT "LPUMP" OF BOILER PUMP TO THE ELECTRONIC REGULATION
SPEISEKLEMME "LPUMP" DER KESSELPUMPE FÜR DIE ELEKTRONISCHE REGELUNG
PŘIPOJOVACÍ SVORKA "LPUMP" KOTLOVÉHO ČERPADLA DO ELEKTRONICKÉ REGULACE
WHEN ELECTRONIC REGULATION CONTROL BURNER AND FAN  CONNECTORS "PTC" AND "PT1" MUST BE UNCONNECT
DEN KONNEKTOREN "PTC" UND "PT1" ABKLEMMEN BEI DER BRENNERBEDIENUNG UND KESSELGÄBLESEBEDIENUNG DER ELEKTRONIC REGELUNG
KONEKTORY "PTC" A "PT1" ODPOJIT PŘI OVLÁDÁNÍ HOŘÁKU A VENTILÁTORU KOTLE ELEKTRONICKOU REGULACÍ
F
G
RESERVOIR POINT "L FANOUT" OF BOILER FAN TO THE ELECTRONIC REGULATION
SPEISEKLEMME "L FANOUT" DER KESSELGEBLÄSE FÜR DIE ELEKTRONISCHE REGELUNG
PŘIPOJOVACÍ SVORKA "L FANOUT" KOTLOVÉHO VENTILÁTORU DO ELEKTRONICKÉ REGULACE
HLvyp
SNvyp
HNvyp
SLvyp
1245
SWITCH
SCHALTER
HL.VYPÍNAČ
t °C
PE
TČ-C
TČ-2
TČ-1
PUMP THERMOSTAT
PUMPETERMOSTAT
TERMOSTAT NA ČERPADLO
poj-Cpoj-1
FUSE 6,3 A
SICHERUNG 6.3 A
POJISTKA 6.3 A
t °C
PE
PT1
PTC
OPERATING THERMOSTAT
BETRIEB TERMOSTAT
PROVOZNÍ TERMOSTAT
PE
WASTE GAS THERMOSTAT
RAUCHGAS TERMOSTAT
SPALINOVÝ TERMOSTAT
ST-11
ST-12
ST-21
ST-22
ST-2C
ST-1C
t °C























C
A B
D
F
E
G
REGN (X6:3)
REGL (X6:4)
REGPE (X6:2)
LPUMP (X7:5)
LFAN OUT (X7:7)
1245 6 3
vyp2-3
vyp2-1
vyp2-6
vyp2-4
vyp2-5
vyp2-2
ALTERNATION SWITCH
FUNKTIONSUMSCHALTER
PŘEPÍNAČ
I
WHEN USE ELECTRONIC REGULATION ACD01 AND PELLETBURNER A2545 MUST BE THESE CHANGES OF WIRING:
BEI DER STEUERUNG DES KESSELBETRIEBES DER ELEKTRONISCHE REGELUNG ACD01 UND PELLETBRENNER A2545 MÜSSEN DIESE ÄNDERUNGEN MACHEN SEIN:
PŘI ZAPOJENÍ ELEKTRONICKÉ REGULACE ACD01 A PELETOVÉHO HOŘÁKU A2545 PROVEĎTE TYTO ZMĚNY:
H



t
TČ95
TČ95
SAFETY PUMP THERMOSTAT 95°C
SICHERHEITSPUMPETERMOSTAT 95°C
BEZPEČNOSTNÍ TERM. NA ČERPADLO 95°C








LFAN IN (X7:6)
H
I
RESERVOIR POINT "L FANIN" OF BOILER FAN TO THE ELECTRONIC REGULATION
SPEISEKLEMME "L FANIN" DER KESSELGEBLÄSE FÜR DIE ELEKTRONISCHE REGELUNG
PŘIPOJOVACÍ SVORKA "L FANIN" KOTLOVÉHO VENTILÁTORU DO ELEKTRONICKÉ REGULACE
RESERVOIR POINT "L2OUT" OF BURNER TO THE ELECTRONIC REGULATION
SPEISEKLEMME "L2OUT" DER BRENNER FÜR DIE ELEKTRONISCHE REGELUNG
PŘIPOJOVACÍ SVORKA "L2OUT" HOŘÁKU DO ELEKTRONICKÉ REGULACE
WHEN ELECTRONIC REGULATION CONTROL BOILER PUMP  CONNECTORS "ST2C" AND "ST22" MUST BE UNCONNECT
DEN KONNEKTOREN "ST2C" UND "ST22" ABKLEMMEN BEI DER KESSELPUMPEBEDIENUNG DER ELEKTRONIC REGELUNG
KONEKTORY "ST2C" A "ST22" ODPOJIT PŘI OVLÁDÁNÍ ČERPADLA KOTLE ELEKTRONICKOU REGULACÍ
WHEN ELECTRONIC REGULATION CONTROL BOILER PUMP  CONNECTORS "ST1C" AND "ST12" MUST BE UNCONNECT
DEN KONNEKTOREN "ST1C" UND "ST12" ABKLEMMEN BEI DER KESSELGÄBLESEBEDIENUNG DER ELEKTRONIC REGELUNG
KONEKTORY "ST1C" A "ST12" ODPOJIT PŘI OVLÁDÁNÍ VENTILÁTORU KOTLE ELEKTRONICKOU REGULACÍ
J
WHEN ELECTRONIC REGULATION CONTROL BOILER PUMP  CONNECTORS "TČ95" MUST BE UNCONNECT
DEN KONNEKTOREN "TČ95" ABKLEMMEN BEI DER KESSELPUMPEBEDIENUNG DER ELEKTRONIC REGELUNG
KONEKTORY "TČ95" ODPOJIT PŘI OVLÁDÁNÍ ČERPADLA KOTLE ELEKTRONICKOU REGULA
L2OUT (X8:7)




t °C
BT-L2
BT-L1
SAFETY THERMOSTAT
SICHERHEITSTERMOSTAT
BEZPEČNOSTNÍ TERMOSTAT
BT-N1
BT-N2


 

N
L
 

L2
L1
N
R
R2
A25-45 6PIN
KONEKTOR
  

END LIMIT DOOR SWITCH
WITH RESET BUTTON
ENDLAGENTÜRSCHALTER
MIT RESET TASTE
KONCOVÝ SPÍNAČ DVÍŘEK
S RESET TLAČÍTKEM
KS
KS
J
LA
N
LB
LC
LD

BL
BU
GR
BR
RE
L I
N
R
L II
R2
NO WITH ACD01  MODUL AD03 FOR CONTROL BOILERFAN AND BOILERPUMP FROM BURNER A25
NEIN MIT ACD01  MODUL AD03 FÜR BEDIENUNG KESSELGEBLÄSE UND KESSELPUMPE BEI DEM BRENNER A25
NEPLATÍ S ACD01  MODUL AD03 K OVLÁDÁNÍ VENTILÁTORU A ČERPADLA KOTLE HOŘÁKEM A25
AD03
KONDENZATOR 1 F
µ