EasyManua.ls Logo

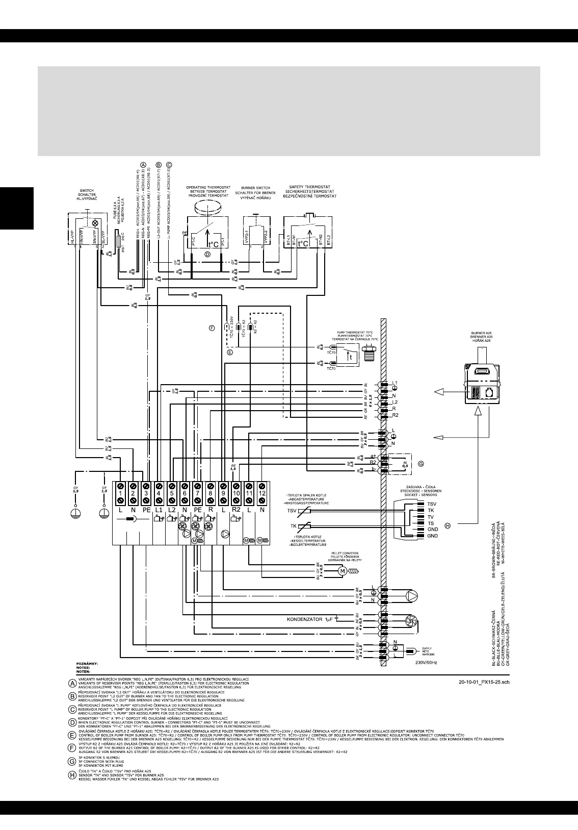
Atmos A25 - Wiring Diagram Connection of D15 PX, D20 PX, D25 PX, PX15, PX20, PX25 Boilers with Exhaust Fan - to Control Exhaust Fan of the Boiler and Pump in the Boiler Circuit from AC07 X Burner Control Unit (R and R2)

Atmos A25
96 pages
Print Icon
To Next Page IconTo Next Page
To Next Page IconTo Next Page
To Previous Page IconTo Previous Page
To Previous Page IconTo Previous Page
Loading...
EN
www.atmos.cz
44-EN
Operation and maintenance manual - EN
36.
Wiring diagram connection of
D15PX, D20PX, D25PX,
PX15, PX20, PX25 boilers
with exhaust fan
- to control
exhaust
fan of the boiler and pump in the boiler circuit
from AC07X burner control unit (R and R2)