EasyManua.ls Logo

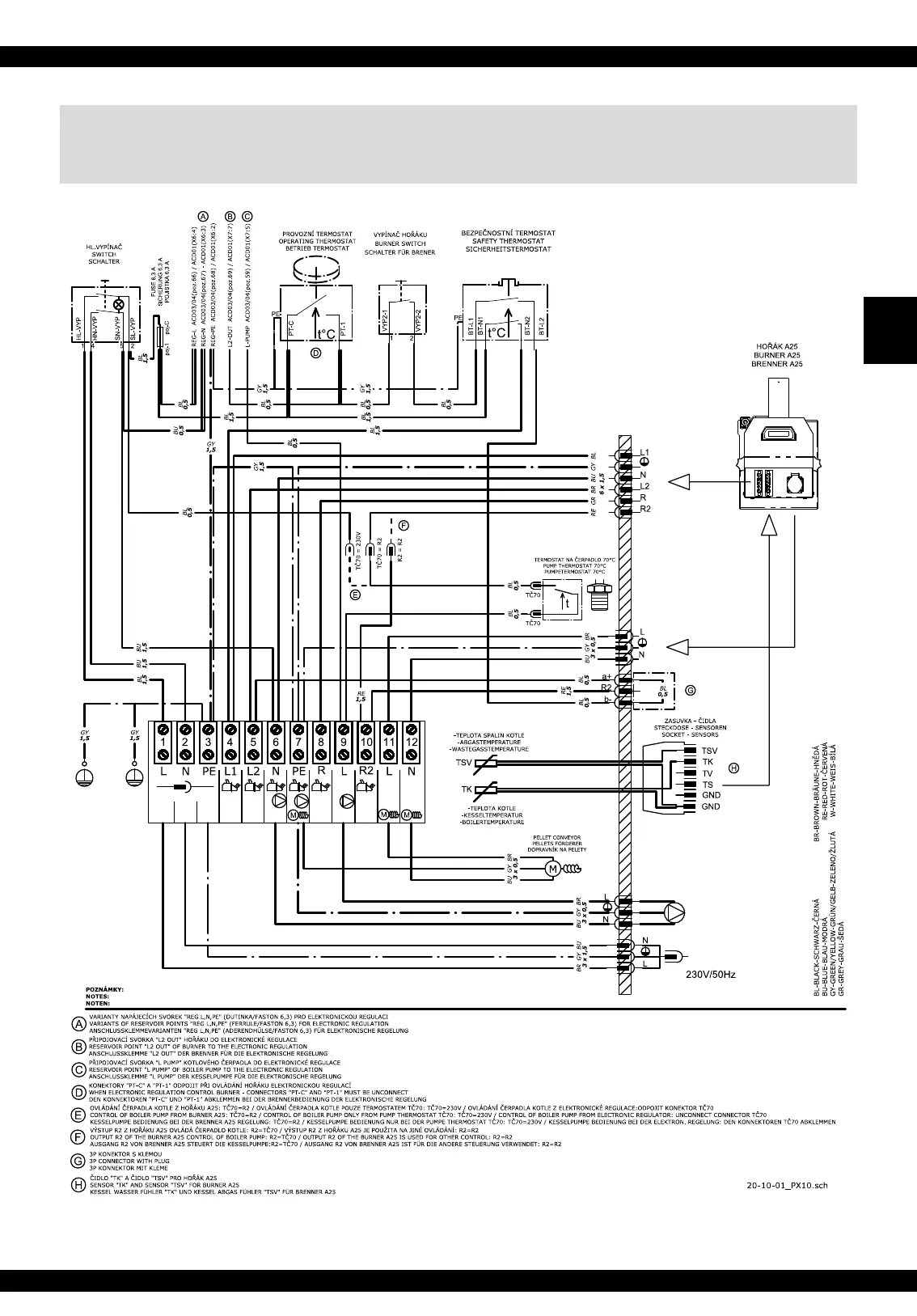
Atmos A25 - Wiring Diagram Connection of D10 PX, PX10 Boilers with AC07 X Model with 6-pin Connector

Atmos A25
96 pages
Print Icon
To Next Page IconTo Next Page
To Next Page IconTo Next Page
To Previous Page IconTo Previous Page
To Previous Page IconTo Previous Page
Loading...
Operation and maintenance manual - EN
EN
www.atmos.cz
EN-43
35.
Wiring diagram connection of
D10PX, PX10 boilers
with
-
AC07X model with 6-pin connector