EasyManua.ls Logo

Atmos A25 - Wiring Diagram Connection of DCxxS(X), CxxS(T), ACxxS, KCxxS, DCxxRS Boilers with Exhaust Fan, Model with 6-pin Connector and Two AD03 Modules - to Control Extraction Fan of the Boiler and Pump in the Boiler Circuit from AC07 X Burner Control Unit (R and R2) - 3;2017 Modele

Atmos A25
96 pages
Print Icon
To Next Page IconTo Next Page
To Next Page IconTo Next Page
To Previous Page IconTo Previous Page
To Previous Page IconTo Previous Page
Loading...
EN
www.atmos.cz
42-EN
Operation and maintenance manual - EN
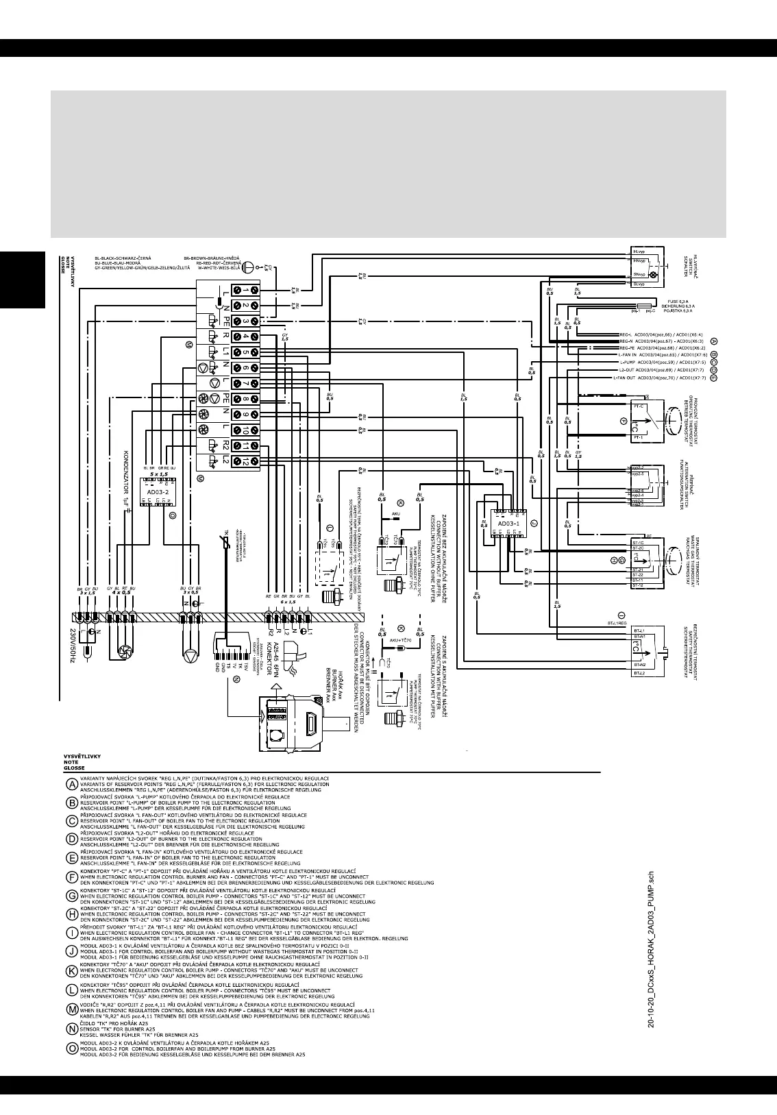
34. Wiring diagram connection of DCxxS(X), CxxS(T), ACxxS,
KCxxS, DCxxRS boilers with exhaust fan, model with 6-pin
connector and two AD03 modules - to control extraction fan
of the boiler and pump in the boiler circuit from AC07X
burner control unit (R and R2) - 3/2017 modele