EasyManua.ls Logo

Audio enhancement K-SRC14 - E1 CNT; E2 CNT Terminal Connections; E2 ACK, PAGE MUTE, LINK BUTTON, ALERT BUTTON Terminal Connections

Audio enhancement K-SRC14
35 pages
Print Icon
To Next Page IconTo Next Page
To Next Page IconTo Next Page
To Previous Page IconTo Previous Page
To Previous Page IconTo Previous Page
Loading...
20
Rev.2.10
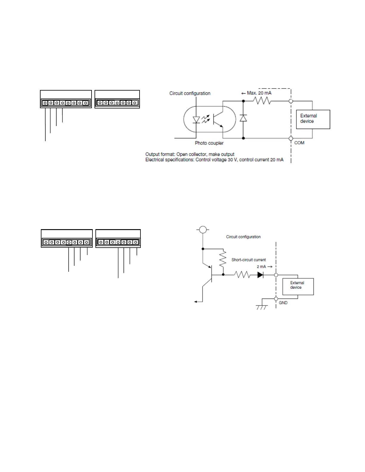
Connection of E1 CNT and E2 CNT terminals
An external device is connected between CNT and COM. These terminals are isolated from the internal circuit by a photo
coupler.
Connection of E2 ACK, PAGE MUTE, LINK BUTTON and ALERT BUTTON terminals
An external device is connected between each terminal and GND. These terminals operate by closing their circuits. The GND
terminal is connected to GND in this unit. A set of “dry relay” contacts are recommended to activate these features.
Input format: transistor input
Electrical specifications: Open voltage 5 VDC, short-circuit current 2 mA
E1 CNT
E2 CNT
E2 ACK
PAGE MUTE
LINK BUTTON
ALERT BUTTON
E1 Cont
E1 Com
E2 Cont
E2 Com
E2 Ack
GND
Paging mute
GND
GND
LINK Button
Alert Button
GND