EasyManua.ls Logo

AUDIO TELEX DCM120 - Page 14

AUDIO TELEX DCM120
22 pages
Print Icon
To Next Page IconTo Next Page
To Next Page IconTo Next Page
To Previous Page IconTo Previous Page
To Previous Page IconTo Previous Page
Loading...
1 2 3 4 5 6 78
A
B
C
D
8
7654321
D
C
B
A
Title
Number RevisionSize
A3
Date: 8-May-2003 Sheet of
File: C:\DCM Manuals\CD6206-12.DDB Drawn By:
R43
22R
R41
NOT USED
R10
10k NTC
R37
1K
R39
1K
R19
1K
R40
R22
R20
R22
V10
V5
IC2
78L05
R21
1K
R12
1K
R3
100R
R36
100R
R4
220R
R32
220R
R5
1K
R31
1K
R6
150R
R26
150R
R14
1K
R23
1K
R13
470R
R22
470R
R15
10R
R25
10R
V1
V6
V4
V8
V2
V7
R2
500R
D1
R7
150R
C1
820P
R17
1K
R18
R22
R28
1K
R29
R22
R27
150R
D6
R35
500R
C2
820P
IC1
78L05
T2
V3
BC556
V9
BC556
R16
4K7
R24
4K7
D3
D5
R1
220R
R33
220R
D7
D2
R8
47k
R30
47k
R9
0R
R11
10R
V11
D4
R34
47R
R38
3K3
R42
10R
F2
10A
F1
4A
D8
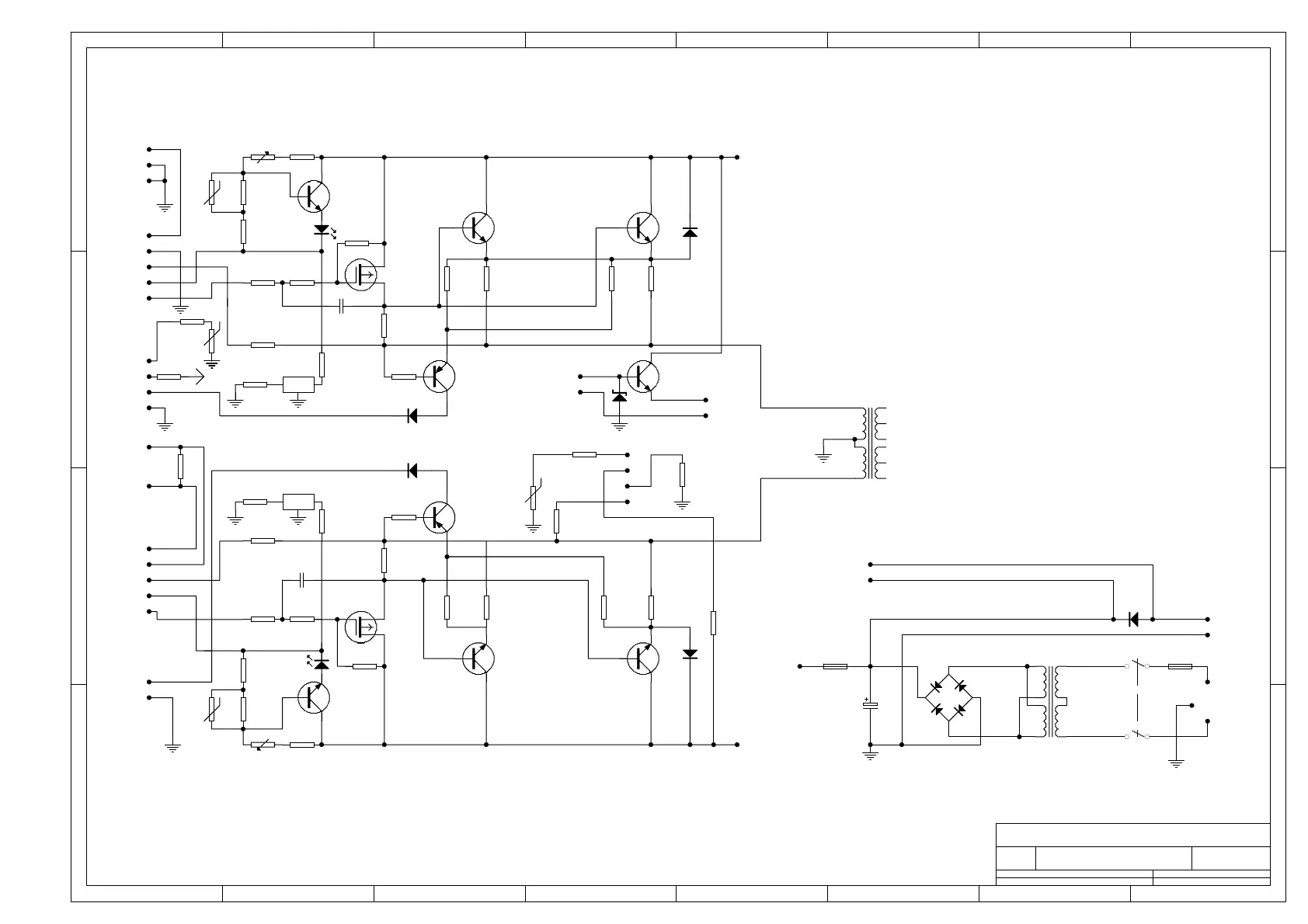
40A
BR1
T1
S1A
S1B
C3
B
IRF9520
IRF9520
15V
TIP41C
TIP35C TIP35C
TIP35CTIP35C
TIP41C
X7
11
CD6206-1
DCM120 POWER PCB
X6
X6
X5
OHM4
8
COM
70AC
COM
100VAC
SBG
+35V
+35V
2
X2
1
3
4
5
X1
1
2
3
X3
1
2 35V
5
6
TIP41C
X3
4
3X4
1
2
FAN
1
2
3
4
5
1
2
3
4
5
5
1
2
-
+
24V
BATTERY
+35VDC
240AC IN
10000U
TO X7

Other manuals for AUDIO TELEX DCM120

Related product manuals