EasyManua.ls Logo

AUDIO TELEX DCM120 - Page 15

AUDIO TELEX DCM120
22 pages
Print Icon
To Next Page IconTo Next Page
To Next Page IconTo Next Page
To Previous Page IconTo Previous Page
To Previous Page IconTo Previous Page
Loading...
1 2 3 4 5 6 78
A
B
C
D
8
7654321
D
C
B
A
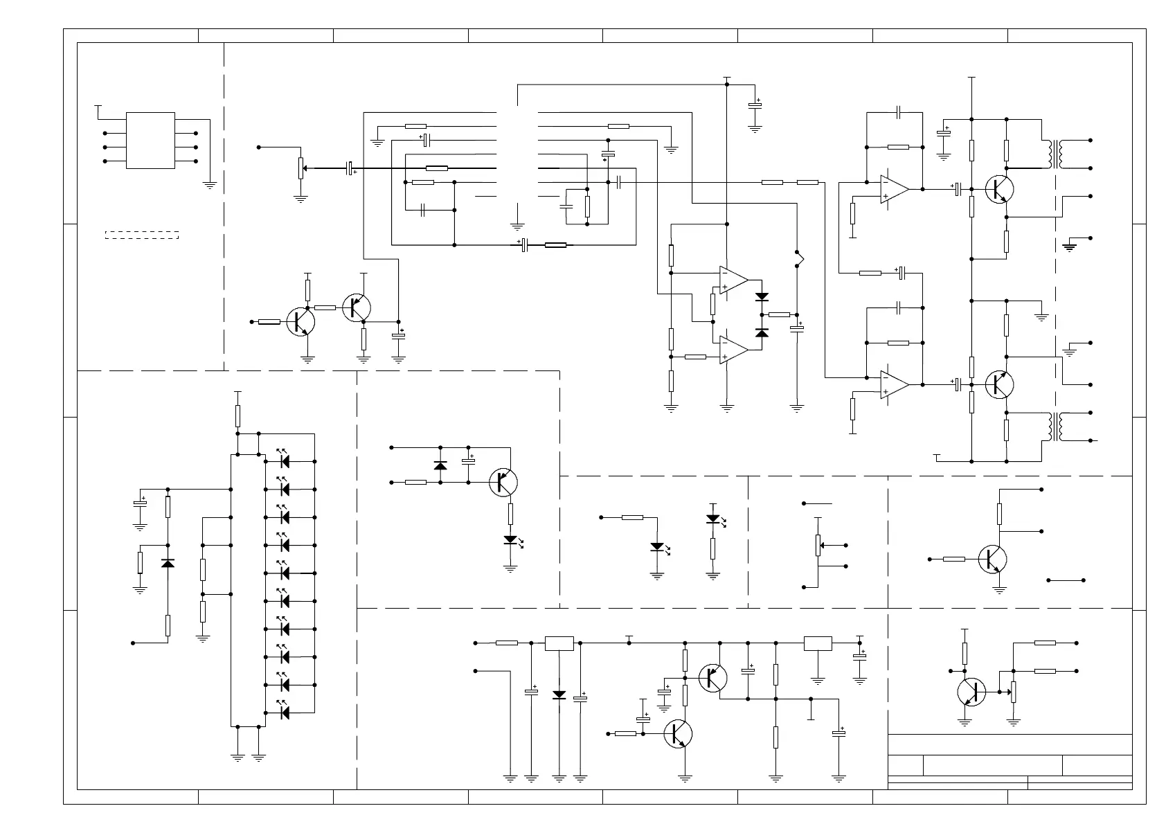
Title
Number RevisionSize
A3
Date: 6-May-2003 Sheet of
File: C:\Protel Files\CDTRAX\CD6200-14.DDBDrawn By:
VDD
P4
10K
VDD
R51
1K
R42
1K
D27
D13
VCC
V6
BC546
R55
10K
R56
10K
IC2B
LM358
VCCVCC
AGND
AGND
AGND
VDD
R31
10k
R30
10K
VCC
R29
10K
V5
BC546
C11
22u
VDD
IC5
7805
VCC
VCC
VDD
R36
10K
R13
10K
V7
BC546
C33
4u7
R53
1K
C5
2u2
P2
47K
R12
100R
C3
10u
R11
390R
R10
1K
R9
5K6
D2
D1
R272M2R16 2M2
R17
47K
R14
22R
C18
4u7
C16
100u
C15
100u
R34
22K
R33
22K
D4
C8
100P
C23
100P
C6
2u2
C19
47u
V3
BC546
1
2
3
5
6
7
8
4
9
10
11
12
14
15
16
13
IC3A
SA571
C17
2u2
C14
47P
C13
47P
R28
100K
R15
100K
C12
2u2
C10
2u2
R25
10K
R24
10k
R23
10K
R22
10k
R21
39k
R20
10k
R19
100K
R18
1K
IC4B
LM833-B
IC4A
LM833-A
C4
2u2
C7
100u
IC1
7815
P1
2K
C2
2u2
C1
2u2
V2
BC639
V1
BC639
T1B
T1A
R8
100R
R7
100R
R6
680R
R5
680R
R4
10K
R3
10K
R2
68K
R1
68K
IC2A
LM358
R35 33K
LK2
LK3
0R
C9
.47u
C26
4u7
LK4
0R
VDD
1
GP5
2
GP4
3
GP3
4
GP2
5
GP1
6
GP0
7
VSS
8
IC6
PIC12C509
D26
D24
D23
D22
D21
D20
D19
D18
D17
R48
1K
R49
10K
LK6
0R
R46
1K2
R45
2K7
D25
R41
D31
C35
4u7
VCC
R43
470R
R44
1K
C32
4u7
V4
BC556
D10
D16
V8
BC556
R26
10K
VCC
V9
BC556
R32
470K
C20
47u
PROTECT
Desc
2.
3.
4.
5.
6.
7.
Pin
GP5-IN = THRML SENS
GP4-IN = FAN SENSE
GP3-IN = I LIMIT
GP2-OUT = PRTCT/MUTE
GP1-OUT = FAN CON
I/O
Power Current Limit
Fan ControlThermal SenseProtect/On Indicator
Battery IndicatorVU Display
Mute/Limiter/DriveMicroprocessor
X4/1
X2/6
(N/C)
IC6/P2
IC6/P3
X4/3X2/4
FAN CONTROL
POWER
X2/5
X4/4
IC6/P5
IC6/P6
AGND
IC6/P7
IC6/P4
IC6/P5
(N/C)
D
X4/2
X4/6
X3/1
X3/3
X3/5
X3/2
X3/4
X1/3
X2/2
X2/1
X1/2
X1/1
X4/5
GND
8V2
SBG
1
16VDC
X5
1
DCM DRIVER
CD6200-1
X2/3
LN3915
-21
-15
-9
-6
-3
0
+3DB10
11
12
13
14
16
18
1
42
8
7
6
5
93
17
15 -12
-18
-25
IC7
X1/4
X1/5
MAINS
FAIL
*
*
R41=15K=DCM120/500
R41=12K=DCM 250
GP0-OUT = 1/2VCC CON

Other manuals for AUDIO TELEX DCM120

Related product manuals