EasyManua.ls Logo

Avanti WC331DZD - WIRING DIAGRAM; Electrical Schematic Overview

Avanti WC331DZD
19 pages
Print Icon
To Next Page IconTo Next Page
To Next Page IconTo Next Page
To Previous Page IconTo Previous Page
To Previous Page IconTo Previous Page
Loading...
16
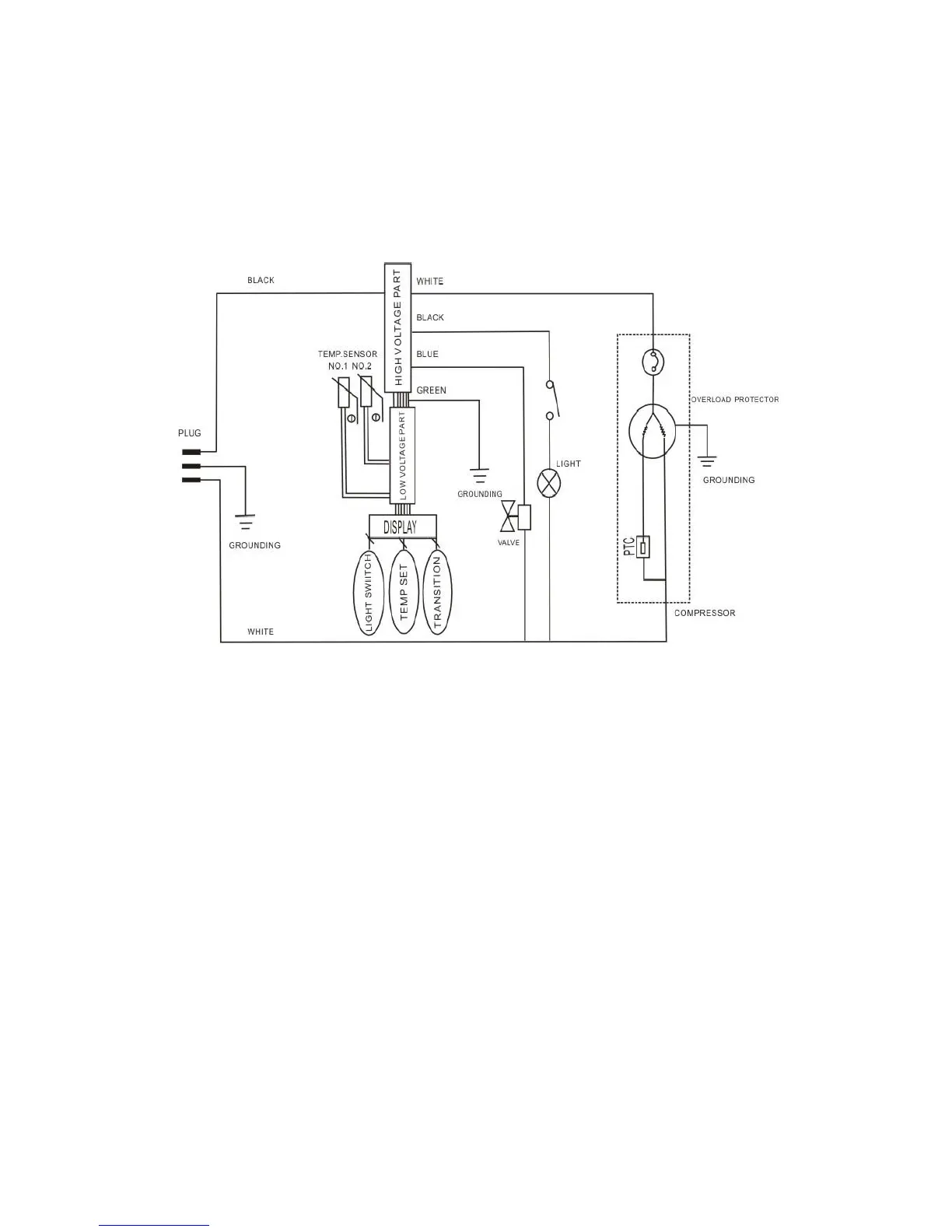
WIRING DIAGRAM

Related product manuals