EasyManua.ls Logo

AVE AF53907 - Page 6

Default Icon
Print Icon
To Next Page IconTo Next Page
To Next Page IconTo Next Page
To Previous Page IconTo Previous Page
To Previous Page IconTo Previous Page
Loading...
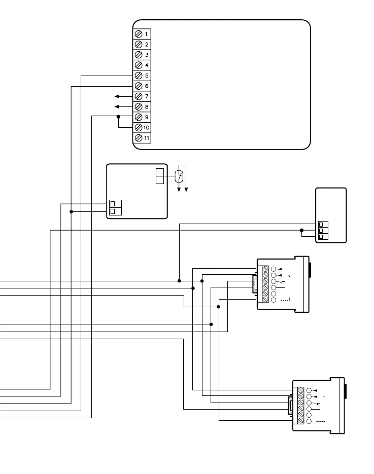
AF53900 SIREN
26 25 24 23 22 21
INDOOR
AUXILIARY SIREN
TAMPER
Anti-removal magnetic contact
cod. AF901
ACOUSTIC HORN CONNECTION TERMINAL
ACOUSTIC HORN CONNECTION TERMINAL
FLASH LIGHT CONNECTING TERMINAL
FLASH LIGHT CONNECTING TERMINAL
+ POWER SUPPLY
– POWER SUPPLY
TAMPER MICROSWITCH
TAMPER MICROSWITCH
N.C. SIREN CONTROL TO POSITIVE
N.C. FLASH CONTROL TO POSITIVE
FLASH FILAMENT BLOWN SIGNAL TO GND
Note 1: For connections at a distance of
more than 30 cm. use screened cable (screen
earth connected to the control panel).
Note 2: By connecting as indicated the
output contact (NC) of a technical alarm
detector, having removed Jp 1, an alarm
activates the corresponding output (terminal
15) which activates the telephone dialler
(channel 1) (see page 21)
1
2
3
4
5
678
9
0
F
#
12345678910 11 12
TO TELEPHONE SOCKET
TO THE TELEPHONE
TO TAMPER LINE
LINE
13
b
14
a
15
16
a
17
b
TEL.
R47k
1
2
3
4
5
6
7
8
9
10
11
12
13
14
15
16
17
18
19
20
PRE-ALARM
INDICATOR
Ref. No.
45381
1 +
2 –
3 T
2 +
1 –
COD. AF45399
AF45360
Detector NC contacts
Example of standard
detector connection.
This connection is possible
also on zones zones A1, A2.
A3, C1, C2
Wiring
Diagram
N
S
1
2
+
3 4 5
N.C.
6
TC
BLOCCO RELÈ
RELAY OUT
12V —
(10,5…14)
––
1
2
+
3 4 5
N.C.
6
TC
BLOCCO RELÈ
RELAY OUT
12V —
(10,5…14)
––
COD.
AF45342
1
2
3
AF45339
R
Detector NC
contacts
R
Technical alarms detector
optional NC contact
TAMPER
AF45360

Related product manuals