EasyManua.ls Logo

Avnera AV6200 - Introduction; Hardware Architecture; Main Chipset Information; Circuit Block Diagram

Default Icon
10 pages
Print Icon
To Next Page IconTo Next Page
To Next Page IconTo Next Page
To Previous Page IconTo Previous Page
To Previous Page IconTo Previous Page
Loading...
Avnera Corporation Samsung Module Manual
Samsung Module PRD AVNERA CONFIDENTIAL page 3 of 10
1. Introduction
This features is a highly integrated, single-chip, wireless audio solution. This integrates the following: a complete
2.4 GHz RF transceiver, the VMI™ wireless communication system PHY & MAC, advanced power management,
audio DSP, I2S interfaces and a full complement of programmable digital interfaces to support a wide range of
end-product user communication requirements.
2. Hardware Architecture:
2.1 Main Chipset Information
Item Vendor Part Number
BBIC + RFIC AVNERA AV6200
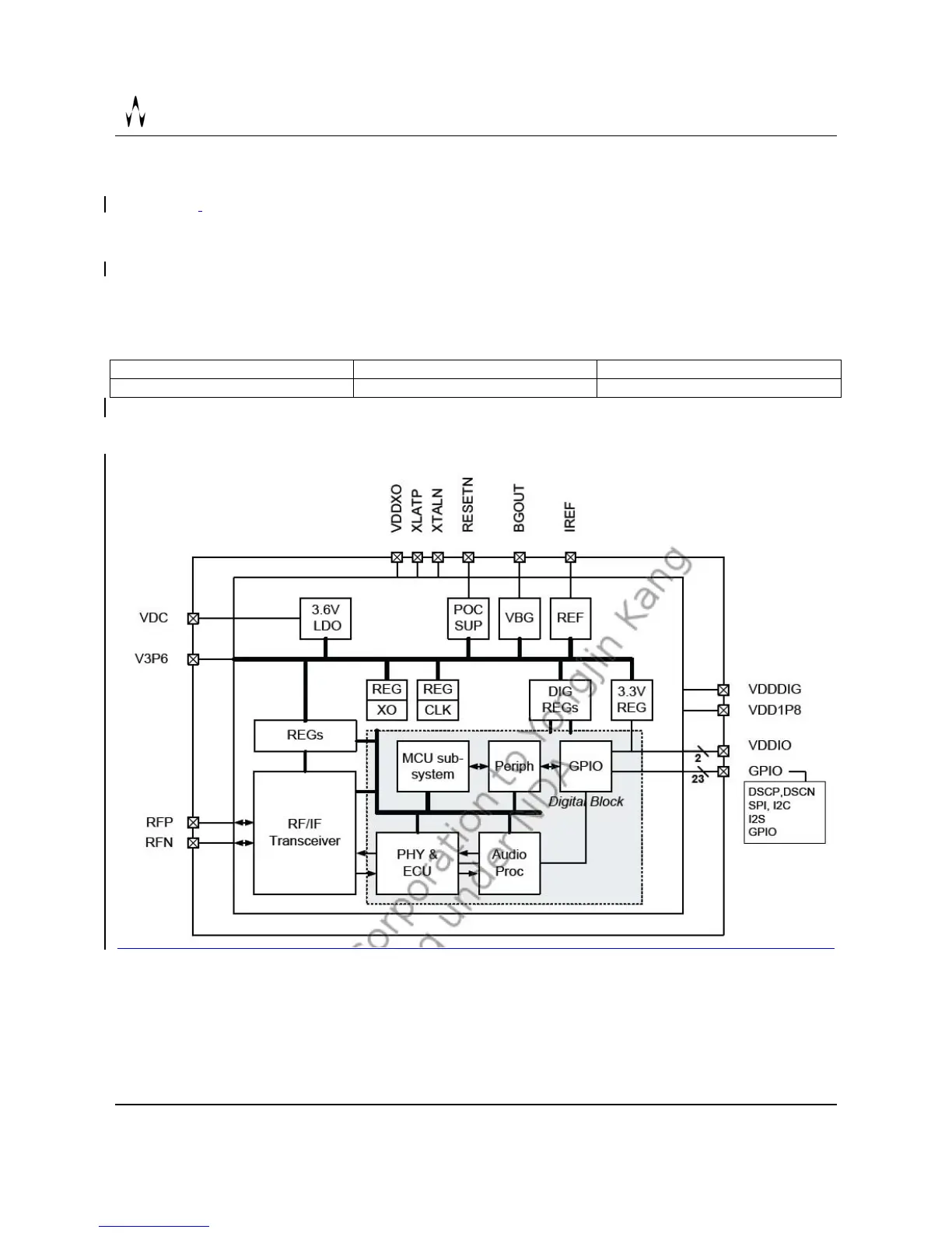
2.2 Circuit Block Diagram
3. Operation Description
Samsung wireless audio module is the 2.4GHz band RF Module that provide users of a wireless audio
system to connect to TV. This enables a wide range of digital wireless audio applications. This
wireless audio technology has been known for its extreme wireless fidelity and audio quality. This module
further extends this offering a high level of integration resulting in a very low-cost complete wireless
system solution, without any sacrifice to the main technology drivers: Audio Quality and Wireless Fidelity.