EasyManua.ls Logo

Backyard Discovery FUSION FIRE - Page 3

Backyard Discovery FUSION FIRE
189 pages
Print Icon
To Next Page IconTo Next Page
To Next Page IconTo Next Page
To Previous Page IconTo Previous Page
To Previous Page IconTo Previous Page
Loading...
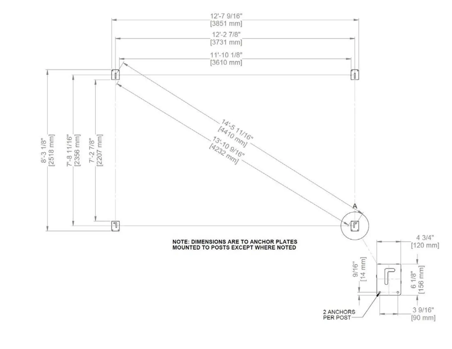
OWNER'S MANUAL - ANCHORING LAYOUT
3
=E
~E
..-
CX)
("I')..-
- I
I.{)
CX)
~
U)
E
~E
..-
co
..-
I.{)
CX)
("I')
-'
N
r--.~
=E
~E
r-- r--
No
_, N
r--
~
12'-7 9/16"
------------
------------------
[3851
mm]
12'-2 7/8"
-----------
-----------------
(3731
mm]
11'-101/8"
-----------
----------------
[3610 mm]
7.-,,
..,.,s
1<1,;10
''/16,,
13,
001"
'lo
'./
"
/-;t<.]<
9/7 6,,
00_;
NOTE: DIMENSIONS ARE TO ANCHOR PLATES
MOUNTED TO POSTS EXCEPT WHERE NOTED
= E
~E
--
0')
'<:f"
2 ANCHORS
PER POST
..-
4 3/4"
[120 mm]
[!]
_J
=E
~E
..-
co
co~
I~
I•
...
1 3 9/16"
[90 mm]