EasyManua.ls Logo

Ballymore PLD PLUS - Page 15

Ballymore PLD PLUS
16 pages
Print Icon
To Next Page IconTo Next Page
To Next Page IconTo Next Page
To Previous Page IconTo Previous Page
To Previous Page IconTo Previous Page
Loading...
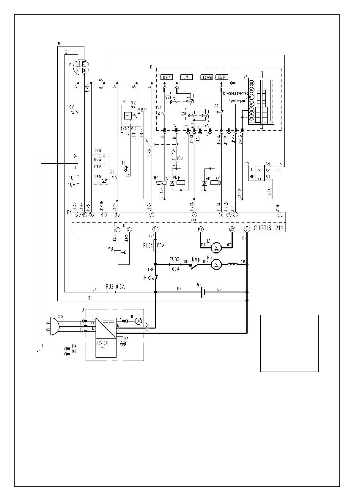
Fuses ECL22M
FU1 : 10 A
FU2 : 0,5 A
FU01 : 60 A
FU02 : 100 A