EasyManua.ls Logo

Balmar Smartgauge - Page 4

Balmar Smartgauge
20 pages
Print Icon
To Next Page IconTo Next Page
To Next Page IconTo Next Page
To Previous Page IconTo Previous Page
To Previous Page IconTo Previous Page
Loading...
SECTION 2.0 – QUICK START GUIDE
PAGE 4
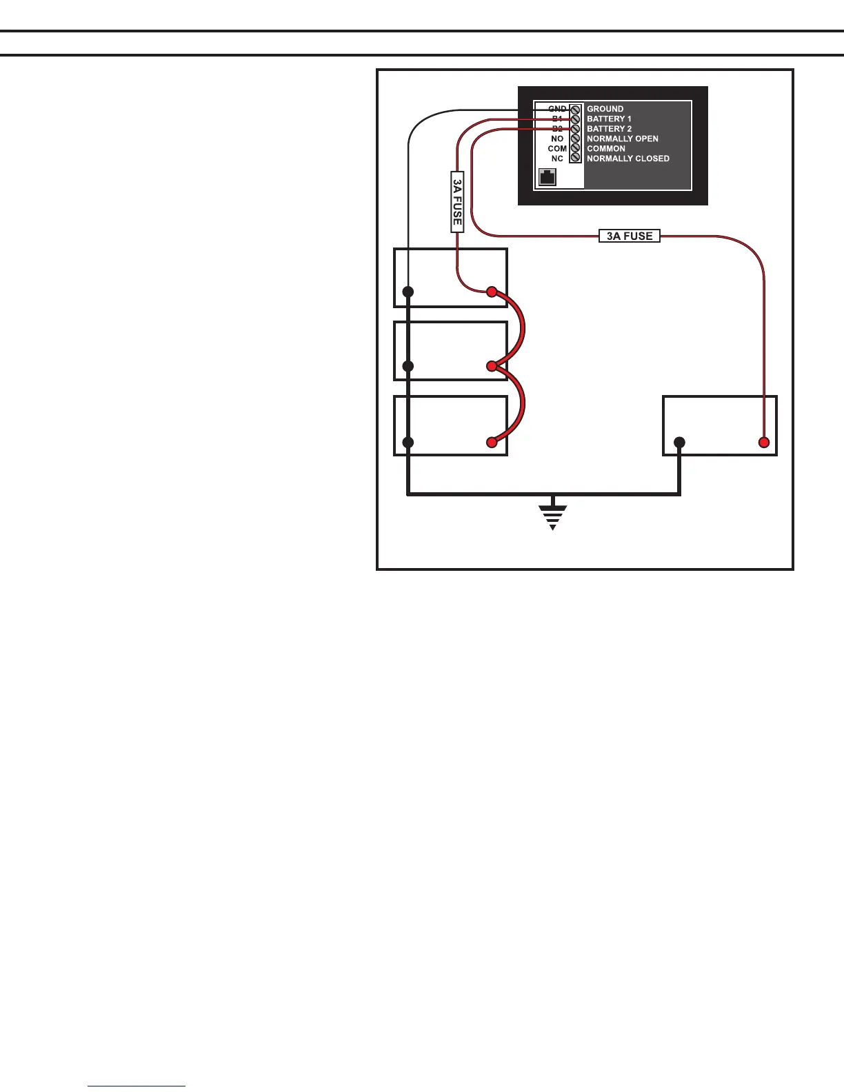
The Smartgauge does not require a separate
shunt for installation. Battery voltage and State
of Charge are both determined via sense wires
connected directly to the positive terminals of
one or both battery banks. To install:
1. Run a 16 gauge (AWG) ground wire
from the GND terminal on back of the
Smartgauge™ to the battery negative post
of the house battery bank.
2. Run a 16 gauge (AWG) positive sense wire
from the B1 terminal on Smartgauge™ to
the battery positive post of the house bat-
tery bank. This wire must be fused at 3
amps with the fuse holder installed as
close to the battery as possible – note that
the fuse should be outside any battery
compartment where battery gases may
accumulate. It should not be run to bus-bars,
isolation switches, fuse panels etc.
3. If a second battery is to be monitored
for voltage, run an additional 16 gauge
(AWG) wire, fused at 3 amps, from the B2
terminal on Smartgauge™ to the positive
battery post of the second battery bank.
Again, this fuse should be located as close
to the battery as possible (but not inside the
battery compartment if combustible gases
can build up).
HOUSE
BATTERY BANK
ENGINE
BATTERY BANK
TO SYSTEM GROUND
Diagram 2
Once the ground and positive sense wires are connected, the monitor display will indicate the software and
battery model revisions. The Smartgauge™ will then show “bt 1” in the display and the PGM/Batt 2 LED will be
ashing. Use the STATUS button to scroll through the program choices, as listed below:
Number Battery type
1 Deep-cycle ooded lead acid
(Examples: Trojan, US Battery, Rolls, Interstate, Exide, Deka/East Penn, Dyno, Crown, Superior)
2 Gel Cell
(Examples: Deka/East Penn GEL, Sonnenschein Prevalier GEL)
3 AGM – Absorbed Glass Mat
(Examples: Lifeline AGM, Firey AGM, Deka/East Penn AGM, US Battery AGM, Rolls AGM, Optima AGM)
4 Dual-purpose lead acid
5 Carbon ber lead acid
6 Sealed, maintainance-free lead acid
**NOTE: There are two distinct types of AGM battery. The rst are similar to standard lead/acid with the addition
of a glass matt separator. The second have this glass mat separator but also additional chemicals added. The rst
type have similar charging voltages to Deep Cycle Lead/Acid (14.6V/29.2V max) in this instance Smartgauge
should be set to Battery Type 1. Examples include AGM TPPL batteries such as Odyssey TPPL and Northstar
TPPL batteries. The second type have lower charging voltages (similar to Gel) at around (14.0-14.2V/28.0-
28.4V) max – in this instance Smartgauge should be set to Battery Type 3.
When the desired battery type number is shown, press VOLTS (set) or BATT 2 (exit). The display will show house
battery voltage. Pressing BATT 2 will display the voltage on the engine battery and the PGM/Batt 2 LED will be lit.
Rear of Smartgauge