EasyManua.ls Logo

Banner B630 - Replacement Parts

Banner B630
8 pages
Print Icon
To Next Page IconTo Next Page
To Next Page IconTo Next Page
To Previous Page IconTo Previous Page
To Previous Page IconTo Previous Page
Loading...
6
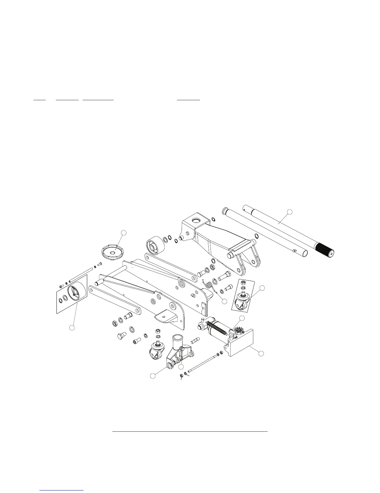
Figure 2 - Replacement Parts Illustration for Model B630
REPLACEMENT PARTS
Not all components of the jack are replacement items, but are illustrated as a convenient reference of location and
position in the assembly sequence. When ordering parts, please give the model number, part number and parts
description. Call or write for current pricing: Customer Support, 10939 N. Pomona Ave., Kansas City, MO 64153.
Phone (888) 332-6419, Fax (816) 891-6599
MODEL B630
Item Part No. Description Quantity
1 B630-1 Front Wheel Assembly 2
2 B630-2 Rear Caster Assembly 2
3 B630-3 Saddle 1
4 B630-4 Oil Filler Plug 1
5 B630-5 Handle 1
6 B630-6 Return Spring, Handle Sleeve 1
7 B630-7 Bolt 1
8 B630-8 Handle Sleeve 1
9 B630-9 Hydraulic Unit 1
-- B630-10 Seal Kit 1
-- Label(s) 1
-- Owners Manual 1
3
5
2
4
7
6
1
8
9