EasyManua.ls Logo

Barazza 1ABEVG - Electrical Wiring; Info; Service; Customer Data

Barazza 1ABEVG
32 pages
Print Icon
To Next Page IconTo Next Page
To Next Page IconTo Next Page
To Previous Page IconTo Previous Page
To Previous Page IconTo Previous Page
Loading...
28
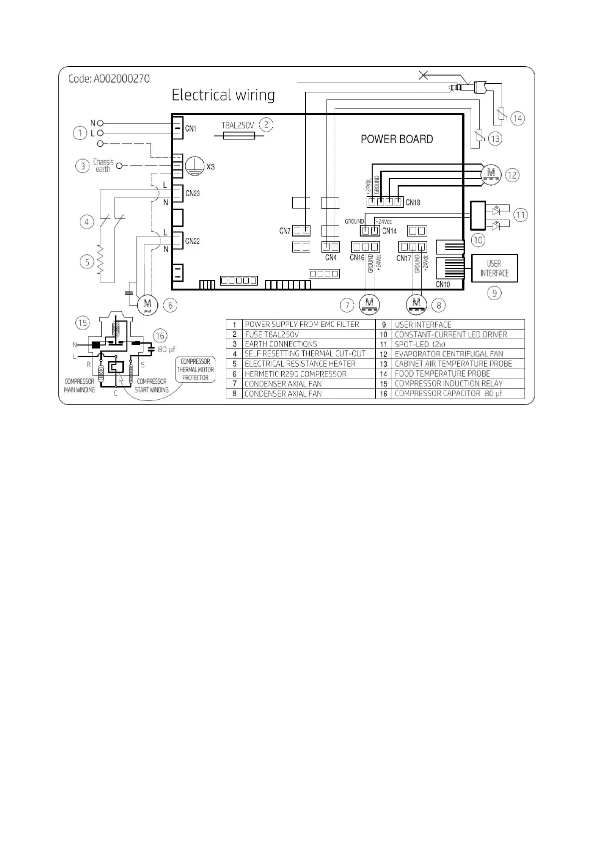
8. WIRING DIAGRAM
Fig.12 Wiring diagram
9. INFO
9.1 Service
Technical support is offered by qualified Service Centres; reference addresses for specific areas are given in
the annex to this manual.
9.2 Customer data
A faster and more efficient service can be provided if the customer promptly communicates the following
purchase data:
invoice number;
holder of the invoice;
date of purchase;
ID number of appliance.