EasyManua.ls Logo

Bard WA121 - Mounting Instructions Details

Default Icon
17 pages
Print Icon
To Next Page IconTo Next Page
To Next Page IconTo Next Page
To Previous Page IconTo Previous Page
To Previous Page IconTo Previous Page
Loading...
Manual 2100-234I
Page 9 of 17
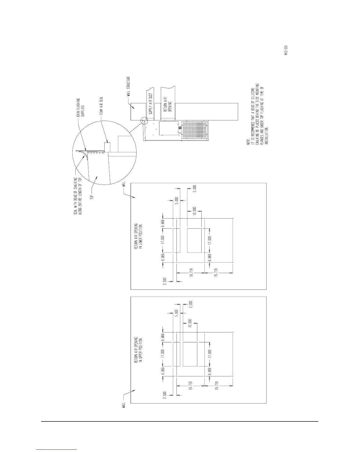
FIGURE 3
MOUNTING INSTRUCTIONS

Related product manuals