EasyManua.ls Logo

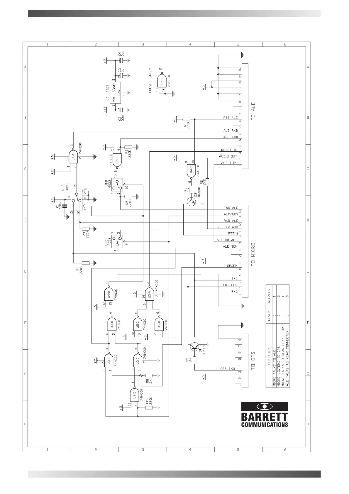
Barrett 980 - GPS;ALE Motherboard Schematic

Default Icon
164 pages
Print Icon
To Next Page IconTo Next Page
To Next Page IconTo Next Page
To Previous Page IconTo Previous Page
To Previous Page IconTo Previous Page
Loading...
BARRETT 900 SERIES TRANSCEIVERS
GPS/ALE Motherboard Schematic
PAGE 112
900 GPS/ALE Schematic

Table of Contents

Related product manuals