EasyManua.ls Logo

Barrett 980 - Page 16

Default Icon
164 pages
Print Icon
To Next Page IconTo Next Page
To Next Page IconTo Next Page
To Previous Page IconTo Previous Page
To Previous Page IconTo Previous Page
Loading...
BARRETT 900 SERIES TRANSCEIVERS
PAGE 16
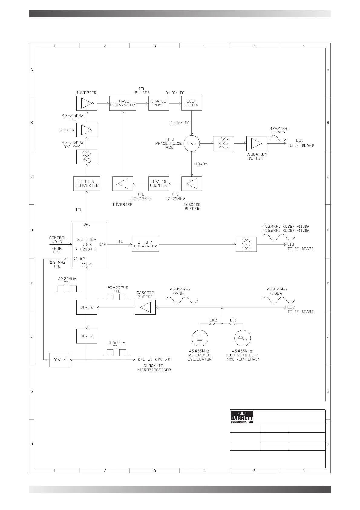
BARRETT 950 MICRO BOARD
DDFS
DRAWING NUMBER
DATE
ECN REFERENCE
BARRETT PART NO
DIMENSIONING
SCALE
NTS
DRAWN
DRAWING TITLE
DESIGNED
SHEET
1OF1
GMH
900B58A2.PCB
6-8-98
PAB
SYSTEM BLOCK DIAGRAM

Table of Contents

Related product manuals