EasyManua.ls Logo

Barrett 980 - Page 25

Default Icon
164 pages
Print Icon
To Next Page IconTo Next Page
To Next Page IconTo Next Page
To Previous Page IconTo Previous Page
To Previous Page IconTo Previous Page
Loading...
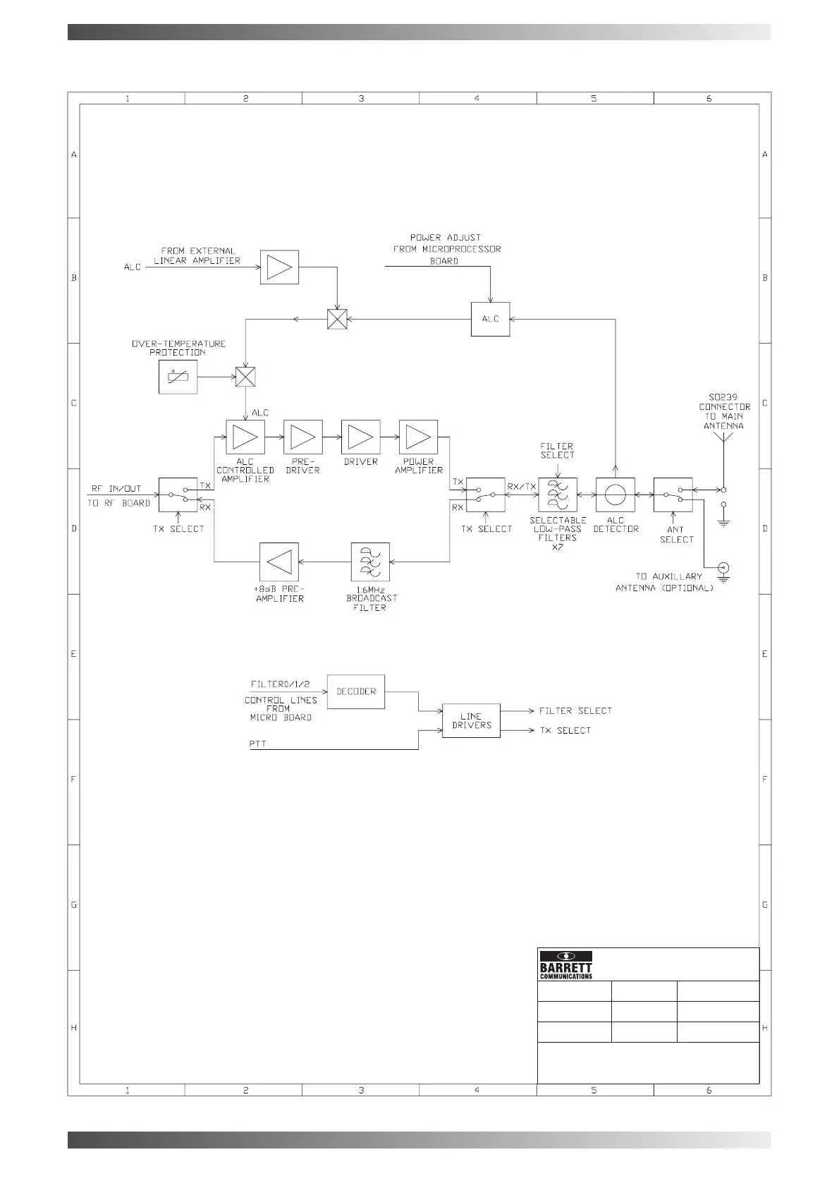
BARRETT 900 SERIES TRANSCEIVERS
BARRETT 900 PA BOARD
DRAWING NUMBER
DATE
ECN REFERENCE
BARRETT PART NO
9603
DIMENSIONING
SCALE
NTS
DRAWN
DRAWING TITLE
DESIGNED
SHEET
1OF1
GMH
900B57A3.PCB
16-2-99
TRB
SYSTEM BLOCK DIAGRAM
PAGE 25

Table of Contents

Related product manuals