EasyManua.ls Logo

Batca Fusion 2 - Page 17

Batca Fusion 2
42 pages
Print Icon
To Next Page IconTo Next Page
To Next Page IconTo Next Page
To Previous Page IconTo Previous Page
To Previous Page IconTo Previous Page
Loading...
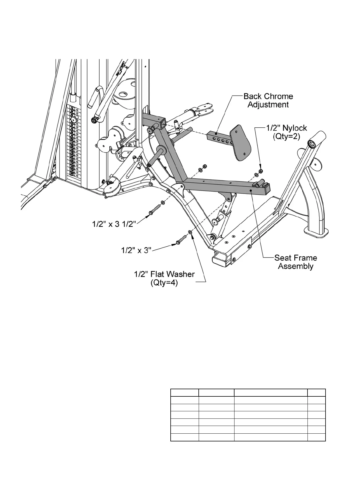
www.batcafitness.com 17 Fusion 2 Owner’s Manual
Step 7:
Figure 7
Item # Part # Description Qty
21 BFM-10578 Seat Frame Assembly 1
30 BFM-10580 Back Chrome Adjustment 1
64 BFH-50251 1/2" Flat Washer (Black) 4
65 BFH-50138 HCS 1/2”-13 X 3 1/2” P5 1
67 BFH-50136 HCS 1/2”-13 X 3” P5 1
68 BFH-50155 1/2"-13 Nylock (Black) 2
All Flat Washers and Nylocks are 3/8” unless otherwise noted.

Related product manuals