EasyManua.ls Logo

Batca Fusion 2 - Page 21

Batca Fusion 2
42 pages
Print Icon
To Next Page IconTo Next Page
To Next Page IconTo Next Page
To Previous Page IconTo Previous Page
To Previous Page IconTo Previous Page
Loading...
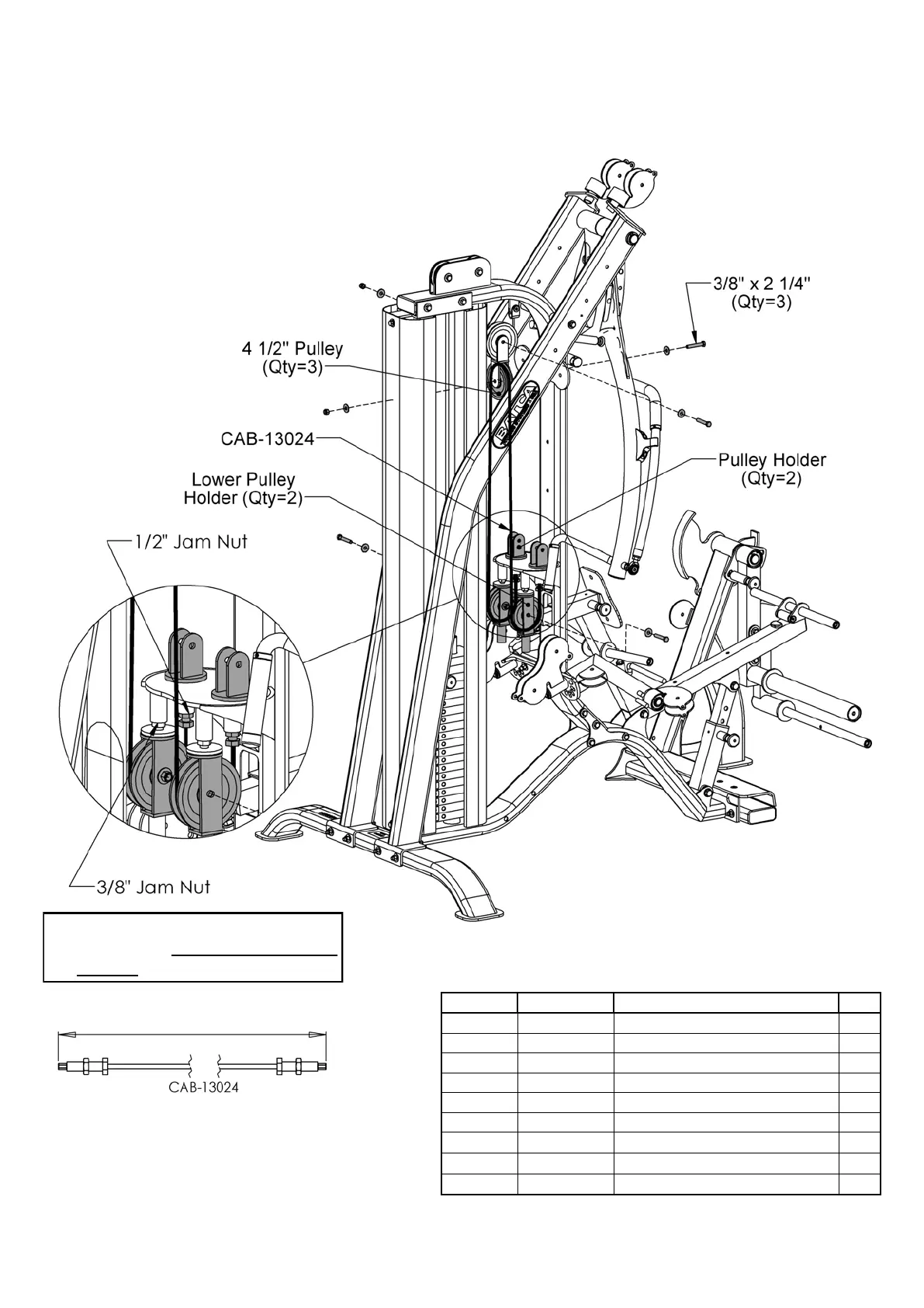
www.batcafitness.com 21 Fusion 2 Owner’s Manual
Figure 11
Item # Part # Description Qty
56 BFH-50146 3/8" Flat Washer (Black) 6
57 BFH-50122 HCS 3/8"-16 X 2 1/4" P5 3
58 BFH-50157 3/8"-16 Nylock (Black) 3
92 BFH-50256 1/2” Jam Nut 2
93 BFM-10609 Pulley Holder 2
95 BFH-50174 4 1/2" Pulley 3
96 BFM-10610 Lower Pulley Holder 2
99 BFH-50149 3/8” Jam Nut 2
103 CAB-13024 Fusion Floating Pulley Cable 1
All Flat Washers and Nylocks are 3/8” unless otherwise noted.
Step 11:
85 1/4”
Note: Each Cable with a threaded bolt on
either end must be threaded at
least 1/2” into its attachment.

Related product manuals