EasyManua.ls Logo

Batca Fusion 2 - Page 22

Batca Fusion 2
42 pages
Print Icon
To Next Page IconTo Next Page
To Next Page IconTo Next Page
To Previous Page IconTo Previous Page
To Previous Page IconTo Previous Page
Loading...
Batca Fitness Systems 22 Fusion 2 Owner's Manual
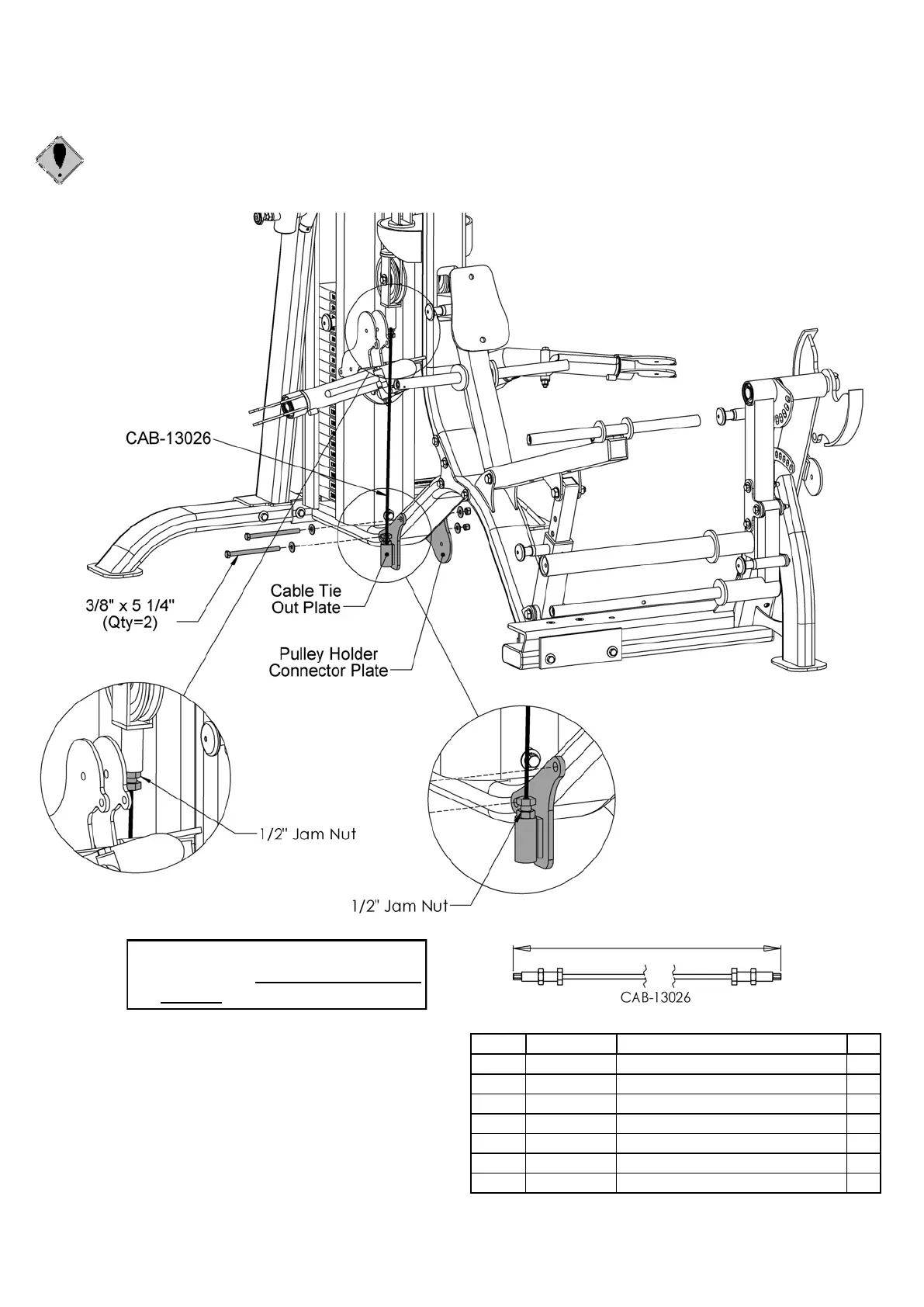
Step 12:
Figure 12
All Flat Washers and Nylocks are 3/8” unless otherwise noted.
Item # Part # Description Qty
19 BFL-50203 Pulley Holder Connector Plate 1
56 BFH-50146 3/8" Flat Washer (Black) 4
58 BFH-50157 3/8"-16 Nylock (Black) 2
59 BFH-50270 HCS 3/8"-16 X 5 1/4" P5 2
92 BFH-50256 1/2” Jam Nut 2
105 BFM-10612 Cable Tie Out Plate 1
106 CAB-13026 Fusion Tie Out Cable 1
22 5/8”
Note: Each Cable with a threaded bolt on
either end must be threaded at
least 1/2” into its attachment.
Note: If Leg Press Option is purchased skip this
step and continue to Step 13 on Page 23.

Related product manuals