EasyManua.ls Logo

Battipav PRIME - Page 23

Battipav PRIME
Print Icon
To Next Page IconTo Next Page
To Next Page IconTo Next Page
To Previous Page IconTo Previous Page
To Previous Page IconTo Previous Page
Loading...
/A sp_v11
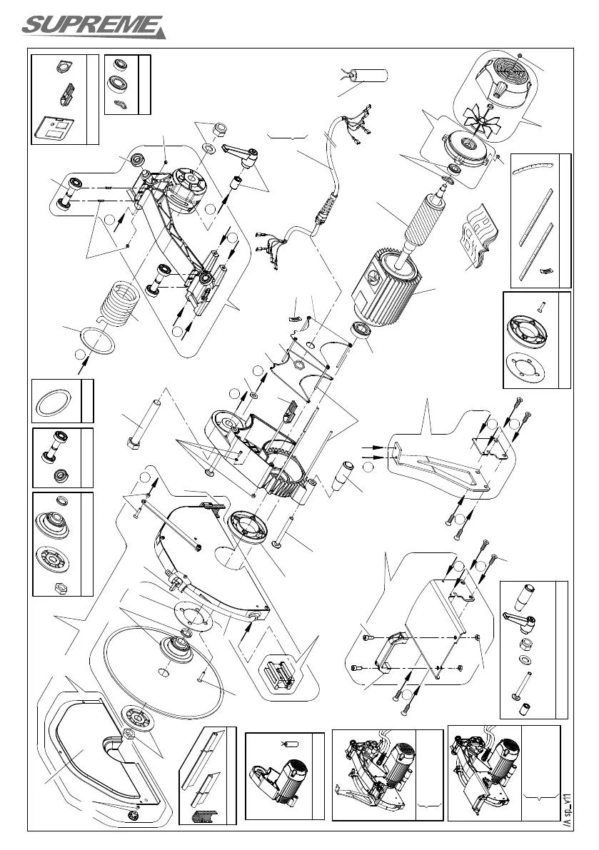
SP9005625 -
SP9004724 -
SP90097/A04 -
-09 SP90016
-11 SP90005
SP9002212 -
-11 SP90005
-10 SP90031
-13 SP90229
-16
SP90042
-17 SP90044
SP9001402 -
SP900202 0 -
-05 SP095042
SP900311 0 -
-05 SP095042
SP05071/7SA
-
06
A
C
B
-14 SP90153
C
B
W
W
W
A
SP902060 7 -
SP900670 1 -
W
18 - SP90237
SP9020522 -
SP90223/300
21 -
Z
SP90174 (150)
SP90165 (55-85-100)
23
SP90230 -19
-15 SP90132
(x1)(x1)(x1)(x1)
SP90005 SP90237
(x2)
(x1)(x1) (x1)
SP90020
SP90042
(x2)
SP90554/300/Ai
-
03
27 -
SP90231/A
SP90233/A (55-85)
26
SP90233/100/A (100)
SP90233/120/A (120)
-08 SP03055
(SCREWS AND NUTS FOR POWER PLANT)
(VITI e DADI PER TESTA MOTORE)
SP90067
-01 SP90067
SP900670 1 -
-01 SP90067
SP9006701 -
SP900670 1 -
SP9006701 -
SP9006701 -
-01 SP90067
SP900670 1 -
-01 SP90067
SP90067 -01
-01 SP90067
SP9006701 -
SP9006701 -
-01 SP90067
SP9006701 -
SP900670 1 -
-01 SP90067
SP90132
(x1) (x2)(x1)
(x1) (x1)
(x1)
SP095042
SP90223/300
(x1) (x1) (x1) (x1)
SP90237 -18
(x4)
SP90175 (200)
-28 SP07071T
SP900592 9 -
(x4)(x1)(x1)
SP90031
(x1)
SP90233/260/A (260)
W
07-SP90270 (260-200-150)
W
Z
K
SP90267 (260)
(x1)
(x1)
(x1)
SP90233/200/A (200)
26
SP90164 (120)
SP90233/150/A (150)
30-SP90022/1
115V 50Hz~

Table of Contents

Related product manuals