EasyManua.ls Logo

Baumuller BM4145 - Page 67

Baumuller BM4145
144 pages
Print Icon
To Next Page IconTo Next Page
To Next Page IconTo Next Page
To Previous Page IconTo Previous Page
To Previous Page IconTo Previous Page
Loading...
Installation
Operation manual b maXX BM4100 (NWR)
Document no.: 5.04052.09
67
of 142
7
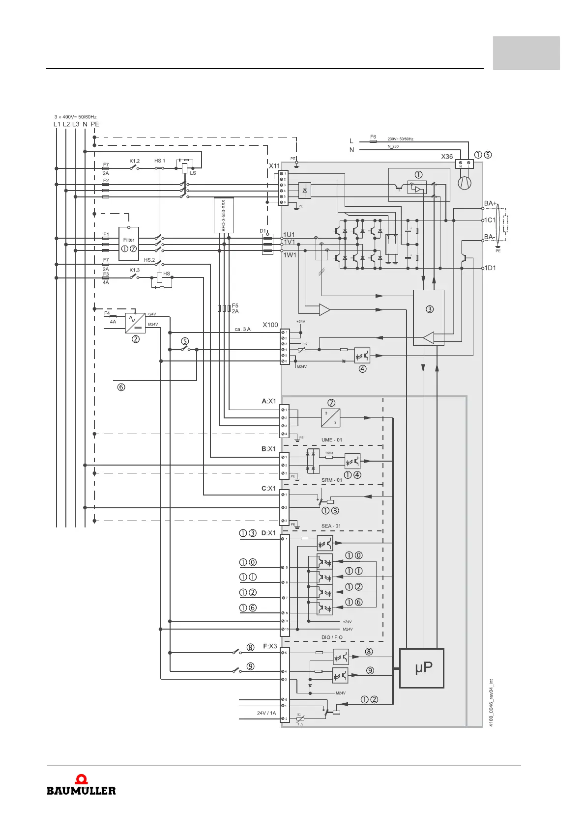
Figure 23: Connection diagram

Table of Contents

Related product manuals