EasyManua.ls Logo

Baumuller BM4145 - Proposal Controlling Pulse Enable; Discharge DC-Link; Chopper Resistor Control

Baumuller BM4145
144 pages
Print Icon
To Next Page IconTo Next Page
To Next Page IconTo Next Page
To Previous Page IconTo Previous Page
To Previous Page IconTo Previous Page
Loading...
Installation
Operation manual b maXX BM4100 (NWR)
Document no.: 5.04052.09
69
of 142
7
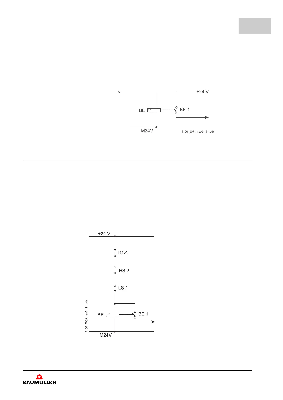
7.15 Proposal controlling pulse enable
A time delay of 500 ms is required between ready for pulse enable (D:X1-5) and pulse
enable.
Figure 26: Proposal controlling pulse enable
7.16 Discharge DC-link / chopper resistor control
Discharge
DC-link
At applying a 24 V control voltage at the terminal X100-4 the chopper resistor transistor
is switched on independent of the amplitude of the DC-link voltage and without interlock
-
ing by the controller due to the discharging of the DC-link. Therefore it has to be consid-
ered, that the switching input is only activated at inhibited controller and a main contactor,
which is switched off.
Chopper resistor
control
Independent of the switching of the input „Discharge DC-link“ X100-4 from a DC link volt-
age greater than 814 V on the chopper resistor is automatically switched on. As soon as
the DC link voltage falls below 795 V, the chopper resistor is switched off.
Figure 27: Recommended chopper resistor control
D:X1-5
(Ready for pulse enable)
F:X3-5
(Pulse enable)
BE delayed action relay
t=100 ms
1)
1)
dependent on loading charging contactor LS,
mains contactor HS (refer to corresponding data:
closing delay, opening delay)
Chopper resistor on
X100-4 chopper resistor

Table of Contents

Related product manuals