EasyManua.ls Logo

Baumuller BUM 62 - Application example for machine of category 4

Baumuller BUM 62
74 pages
Print Icon
To Next Page IconTo Next Page
To Next Page IconTo Next Page
To Previous Page IconTo Previous Page
To Previous Page IconTo Previous Page
Loading...
Installation
Mono Power Unit BUM 62, 63, 64 37
Baumüller Nürnberg GmbH 5.94005.12
y The position switches, which are used, must unavoidable have actuated and mechanical connected
contacts as well as a dual-port connection (NC contact/ NO contact). The mechanical operating at
the safety device must take place unavoidable, that means tamper-resistant.
The connection cables between the safety relay input (X68: 3,4) and the control as well as between the
impulse release input at the converter (X3:5) and the controller must not be installed outside the control
cabinet in a common cable channel.
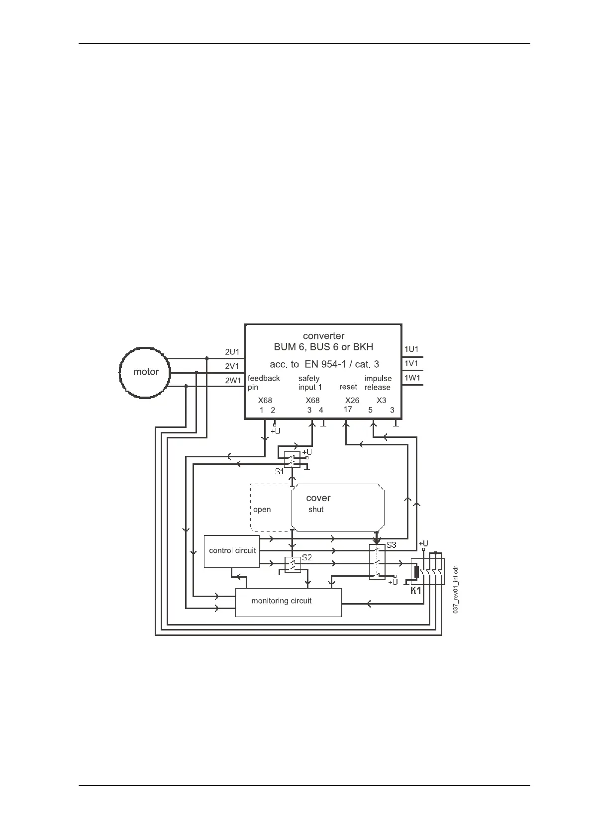
Application example for machine of category 4
Additional procedures when configuring a machine make it possible with a converter of the category 3
(EN 954-1) at safety-relevant operations for the “protection against unexpected starting” also category
4 for the complete drive.
A possibility is the usage of a contactor, with which the external conductors of the motor cable is short-
circuited.
The diagram shows exemplary the usage and cabling of a Baumüller converter of the series BUM 6, BUS
6 or BKH of a machine tool, at which the safe taking of work pieces at opened barrier according to cat
-
egory 4 (EN 954-1) is possible.
Example for an application for safe stop according to category 4 (EN 954-1)
The switching-off of the electrical drive motor takes place three-ported.
y The contactor K1 with three NC contacts short-circuits the current to the motor in the release state
in all poles (closed-circuit current principle), so that no electrical energy of the converter arrives at
the motor. S2 (NC contact) and S3 (NO contact) effectuate K1. Only if S2 and S3 display a closed
barrier (and therewith a safe condition) K1 starts up and the short-circuit in the motor line is reset.

Related product manuals