EasyManua.ls Logo

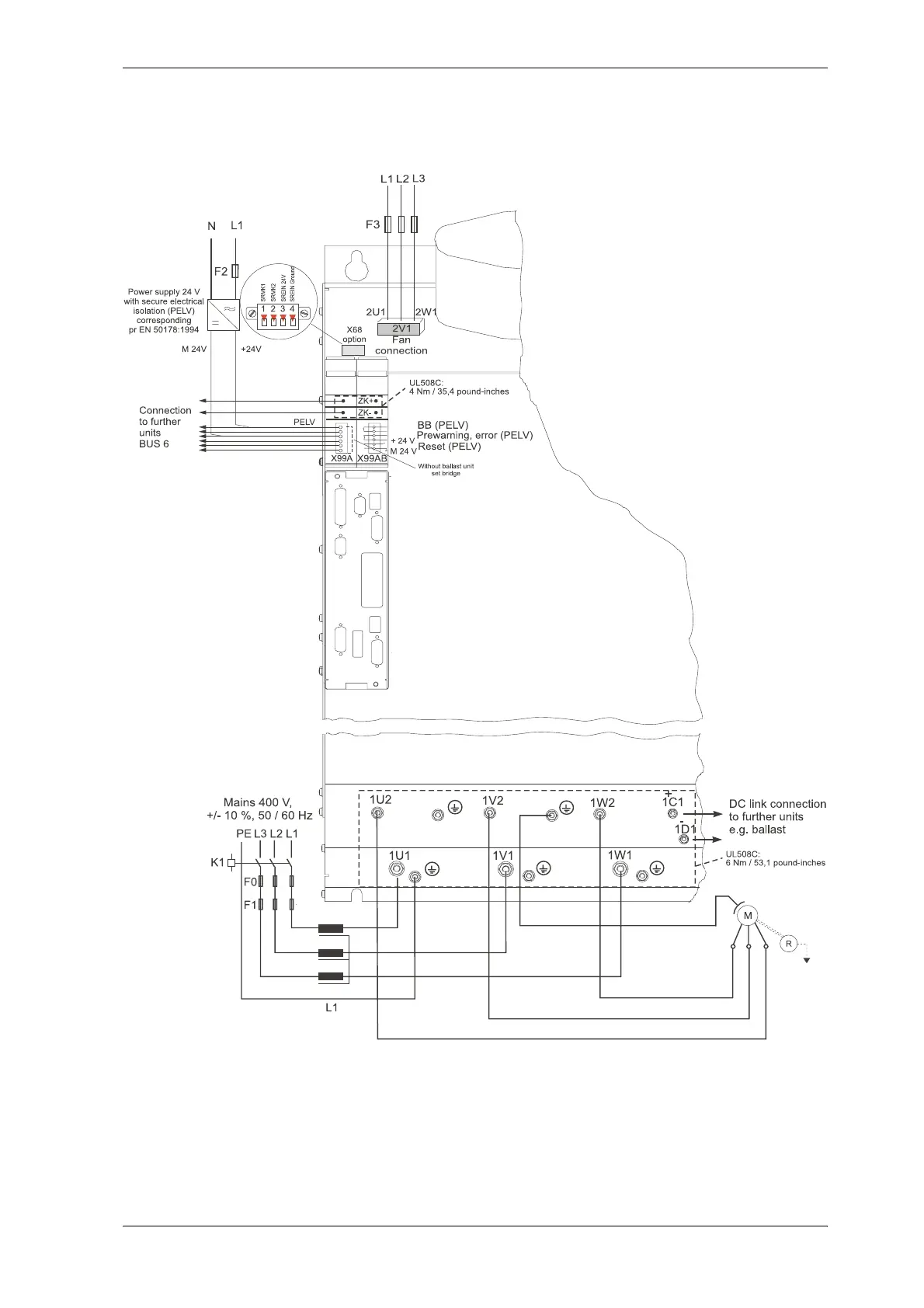
Baumuller BUM 62 - 5.5.3 Terminal diagram BUM 64

Baumuller BUM 62
74 pages
Print Icon
To Next Page IconTo Next Page
To Next Page IconTo Next Page
To Previous Page IconTo Previous Page
To Previous Page IconTo Previous Page
Loading...
Installation
Mono Power Unit BUM 62, 63, 64 41
Baumüller Nürnberg GmbH 5.94005.12
5.5.3 Terminal diagram BUM 64

Related product manuals