EasyManua.ls Logo

Bearcat CH911DH - Features & Controls

Default Icon
40 pages
Print Icon
To Next Page IconTo Next Page
To Next Page IconTo Next Page
To Previous Page IconTo Previous Page
To Previous Page IconTo Previous Page
Loading...
119 INCH CHIPPER
ENGLISH
Section
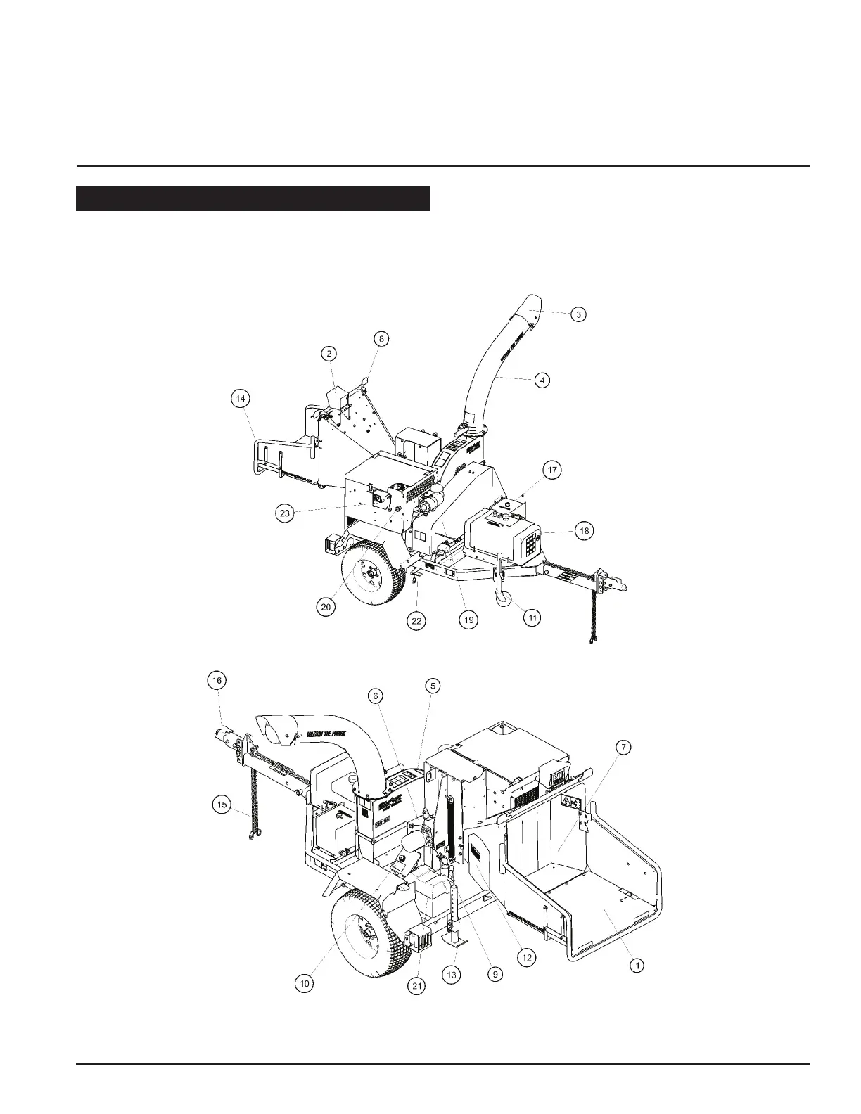
3 FEATURES & CONTROLS
Understanding how your machine works will help you achieve the best results when using your chipper. The following
descriptions dene the features and controls of your machine.
REFER TO ENGINE OWNER’S MANUAL FOR FURTHER ENGINE OPERATING INSTRUCTIONS.
3.1 MACHINE

Related product manuals