EasyManua.ls Logo

Belimo AFX24-MFT - Page 18

Belimo AFX24-MFT
32 pages
Print Icon
To Next Page IconTo Next Page
To Next Page IconTo Next Page
To Previous Page IconTo Previous Page
To Previous Page IconTo Previous Page
Loading...
800-543-9038 USA 866-805-7089 CANADA 203-791-8396 LATIN AMERICA / CARIBBEAN
6
4
A
FB24-MFT N4
(
H
)
, AFB24-MFT-S N4
(
H
)
, AFX24-MFT N4, AFX24-MFT-S N
4
N
EMA 4, Proportional,
S
pring Return, Direct
C
oupled, 24V, Multi-Function Technolog
y
®
W
399_08
V
D
C/
4-2
0
mA
W399_08
PWM
M
W
399_08
On/Off Control
Off C l
W
399_08
F
loatin
g
Point Contro
l
G
K-AF-NF N4H 24V h
ea
t
e
r
N
EMA 4 H
ea
t
e
r
Accessories
T
oo
l
-0
6
8
mm an
d
10 mm wrenc
h
43442
-
00001
Gland
(
needed for additional wires
)
1
1
09
7-
0000
1
G
asket for
G
land (needed for additional wires
)
N
O
TE
:
When using AFB24-MFT N4(H), AFB24-MFT-S N4(H), AFX24-MFT N4 and AFX24-MFT-S N
4
a
ctuators, only use accessories listed on this page.
For actuator wirin
g
information and dia
g
rams, refer to Belimo Wirin
g
G
uide
.
Typical Specification
S
pring return control damper actuators shall be direct coupled type which require no
c
rank arm and linka
g
e and be capable of direct mountin
g
to a
j
ackshaft up to a 1.05”
di
ameter.
Th
e actuator must prov
id
e proport
i
ona
l
d
amper contro
l
i
n response to a 2 to
10 VD
C
or
,
with the addition of a 50
0
Ω
resistor, a 4 to 20 mA control in
p
ut from an
el
ectron
i
c contro
ll
er or pos
i
t
i
oner.
Th
e actuators must
b
e
d
es
i
gne
d
so t
h
at t
h
ey may
b
e
u
sed for either clockwise or counterclockwise fail-safe operation. Actuators shall use
a brushless D
C
motor controlled b
y
a micro
p
rocessor and be
p
rotected from overload
at all angles of rotation. Run time shall be constant, and independent of torque. A 2 to
10 VD
C
feedback signal shall be provided for position feedback. Actuators shall be
c
ULus Approved and have a 5 year warranty, and be manufactured under I
SO
9001
International
Q
ualit
y
C
ontrol
S
tandards. Actuators shall be as manufactured b
y
Belimo.
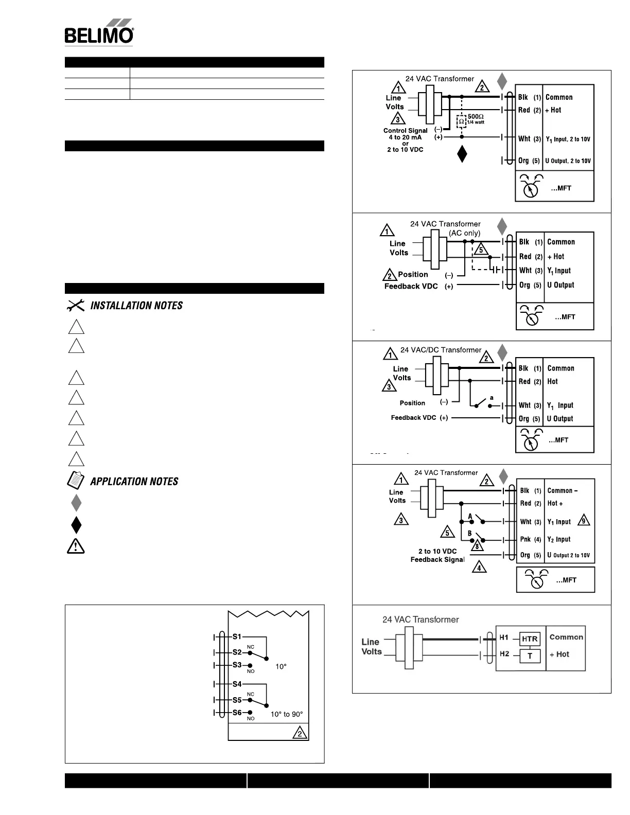
Wiring Diagrams
1
P
rovide overload protection and disconnect as required
.
2
C
AUTI
O
N Equipment Dama
g
e
!
Actuators ma
y
be connected in
p
arallel if not mechanicall
y
mounted to the same
shaft. Power consum
p
tion and in
p
ut im
p
edance must be observed.
3
Actuators may also be powered by 24 VDC.
4
P
osition feedback cannot be used with Triac sink controller.
T
he actuator internal common reference is not com
p
atible.
5
C
ontrol signal may be pulsed from either the Hot (source) or the
C
ommon
(
sink) 24 VA
C
line
.
8
C
ontact closures A & B also can be triacs
.
A & B should both be closed
f
or triac source and open
f
or triac sink
.
9
Fo
r tri
ac
s
ink th
e
co
mm
o
n
co
nn
ec
ti
o
n fr
o
m th
e
ac
t
ua
t
o
r m
us
t
be
co
nn
ec
t
ed
t
o
th
e
h
o
t
co
nn
ec
ti
o
n
o
f th
e
co
ntr
o
ll
e
r.
Meets UL requirements without the need o
f
an electrical ground
connect
i
on
.
T
h
e
Z
G
-R
0
1
500
Ω resistor ma
y
be used.
W
ARNIN
G
Live Electrical Com
p
onents
!
D
ur
i
ng installation, testing, servicing and troubleshooting o
f
this product, it may be
necessar
y
to work with live electrical com
p
onents. Have a
q
uali
ed licensed electrician
or ot
h
er
i
n
di
v
id
ua
l
w
h
o
h
as
b
een proper
l
y tra
i
ne
d
i
n
h
an
dli
ng
li
ve e
l
ectr
i
ca
l
components
perform these tasks. Failure to follow all electrical safety precautions when exposed to
live electrical components could result in death or serious in
j
ury
.
AFB24-MFT-S N4(H)
AFX24-MFT-S N4
Auxiliary
S
witches
W
600
_AFB_AFX_N4
N40103 - 09/11 - Subject to change. © Belimo Aircontrols (USA), Inc.

Other manuals for Belimo AFX24-MFT

Related product manuals