EasyManua.ls Logo

BendPak RBJ15000 - RBJ6000 Parts Breakdown

BendPak RBJ15000
57 pages
Print Icon
To Next Page IconTo Next Page
To Next Page IconTo Next Page
To Previous Page IconTo Previous Page
To Previous Page IconTo Previous Page
Loading...
RBJ Series of Rolling Bridge Jacks 35 P/N 5900004 — June 2018 Rev. C2
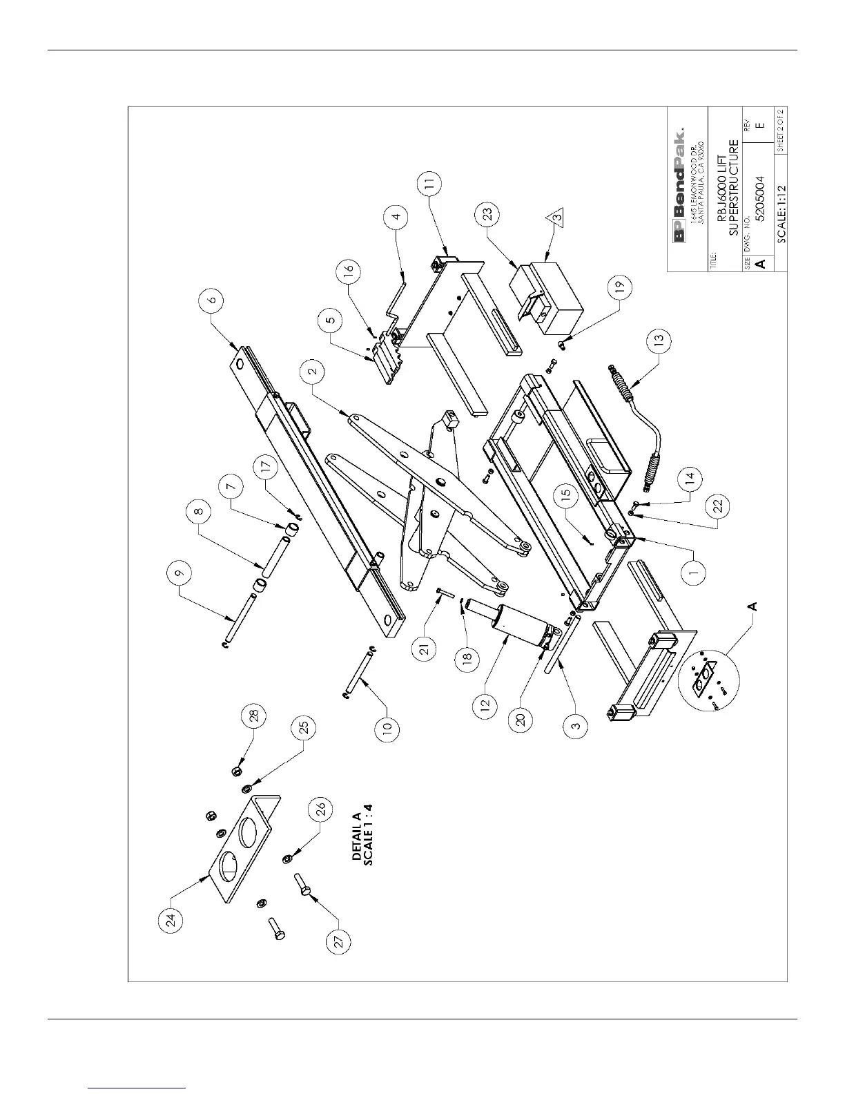
Model RBJ6000

Other manuals for BendPak RBJ15000

Related product manuals