EasyManua.ls Logo

Bercomac 700219-2 - Page 8

Bercomac 700219-2
33 pages
Print Icon
To Next Page IconTo Next Page
To Next Page IconTo Next Page
To Previous Page IconTo Previous Page
To Previous Page IconTo Previous Page
Loading...
ASSEMBLY
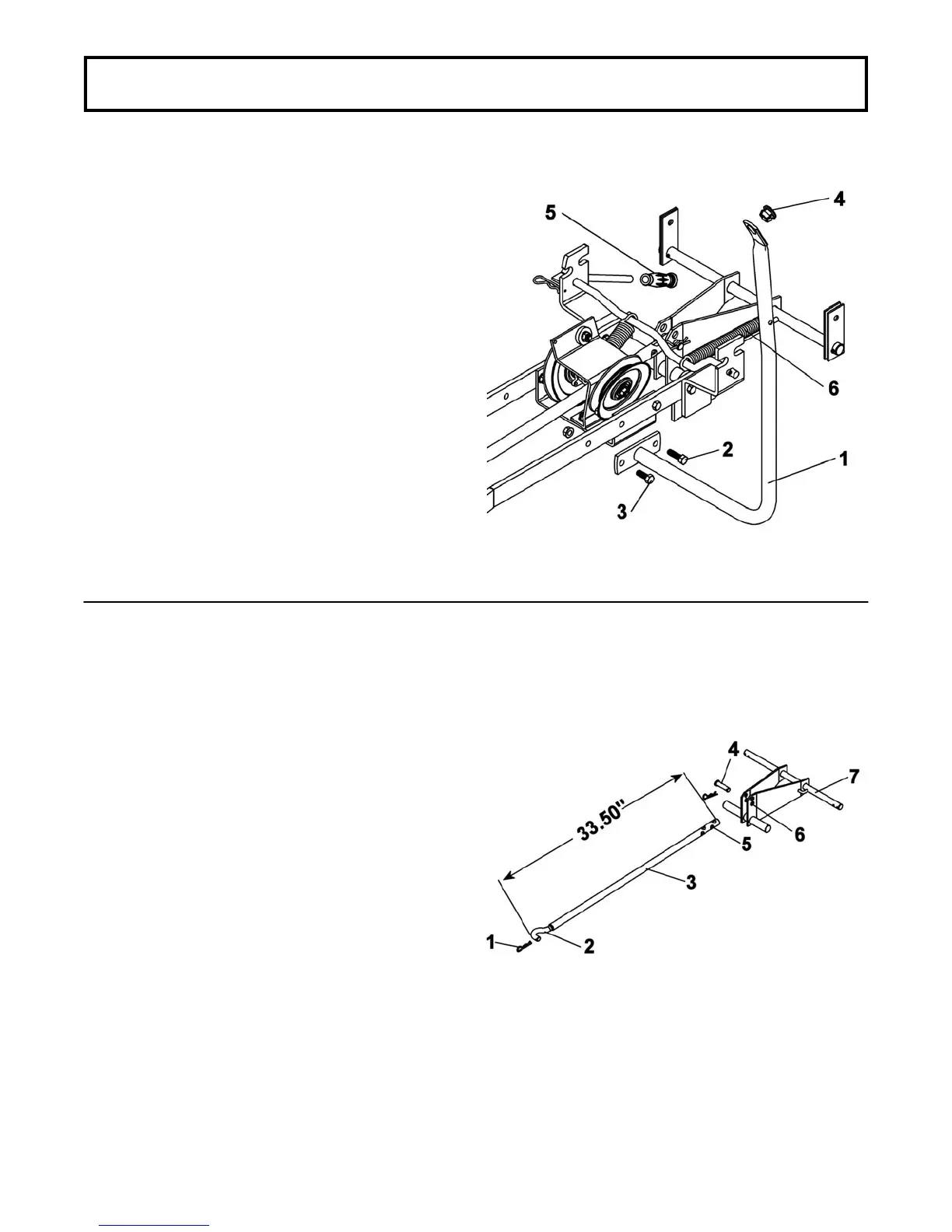
Unhook the helper spring (item 6).
Install the handle support (item 1) on the left hand side
with a 3/8 x 1 1/4" hex bolt (item 2) and flange nut
already in place, a 3/8 x 1" hex bolt (item 3) and flange
nut.
Tighten firmly.
Insert the plastic grommet (item 4) in the handle support.
Install the handgrip (item 5) as shown.
Remove the hair pin (item 1) and unhook the adjusting
rod (item 2) from the pivot support.
NOTE: In order to facilitate the subframe installation,
rotate the pivot support towards the front.
Make sure that the other end of the push tube (item 3) is
secured in the second hole (item 5) with a pin (item 4)
and in the bottom hole (item 6) of the lift lever (item 7).
Adjust the overall length of the push tube to 33.50" by
screwing or unscrewing the adjusting rod (item 2).
6
Install handle support
Adjust the length of push tube