EasyManua.ls Logo

Bertazzoni HERT366DFSAV - Page 36

Bertazzoni HERT366DFSAV
48 pages
Print Icon
To Next Page IconTo Next Page
To Next Page IconTo Next Page
To Previous Page IconTo Previous Page
To Previous Page IconTo Previous Page
Loading...
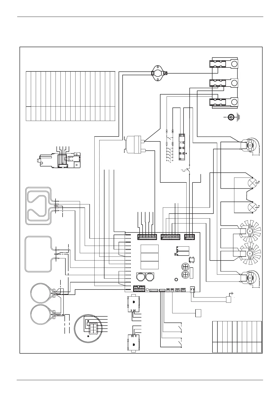
13
30 /36 /48 DFS
/ Schéma de câblage
WR&1
WR&1
WR&1
WR&1
WR&1
WR&1
(*
0
/ 1 /
*5281'
/)
/)
0909
097
GRZQ
097
XS
37
5*5&
53
5&5&
6LPE 'HVFULSWLRQ
P%URZQ
U5HG
JY *UHHQ
Y 9LROHW
JU *UH\
D2UDQJH
Q%ODFN
E%OXH
EL :KLWH
&2/2856
6LPE 'HVFULSWLRQ
% 7KHUPDOFXWRXW
&09 &RROLQJIDQDLUVHQVRUVZLWFK
'/ 'RRU/RFN 'RRU6ZLWFK
(* (OHFWURQLF*DXJH
)6 2YHQ)XQFWLRQ6HOHFWRU
* 6SDUN*HQHUDWRU
,*1 ,JQLWLRQ0LFURVZLWFKHV
76 2YHQ7HPSHUDWXUH6HOHFWRQ
. 7HUPDOFXWRXW
/) 2YHQODPS
0 7HUPLQDO%ORFN
07 0HDW3UREH
09 )DQPRWRU
097 &RROLQJIDQPRWRU
37 2YHQVHQVRU7HPS37
5& 5RXQGHOHPHQW
5&5* 8SSHUJULOOHOHPHQW
/(*(1'$
&1

&1
&1

&1

&1
&1
&1
&1
&1
'/
WR0/
WR&1
WR&1
WR&1
WR&1
WR0/
WR'/
WR'/
WR01
WR0/
76
WR&1
WR&1
WR&1
)6
WR&1
WR&1
WR&1
WR'/
WR'/
%
*
,*1
Q
WR0/
WR0/
WR0/
&09
GRZQ
&09
XS
07
$
%
D
D
Y
Y
E
E
JU
JU
U
U
Q
Q
Q
Q
EL
EL
EL
EL
E
U
D
EL
U
Q
EL
WR09
WR09
WR09
WR09
WR0*5281'
WR53
766
Q
WR*5281'
.
&1&

Related product manuals