EasyManua.ls Logo

Bertazzoni PRO366GASAR - Electrical Connection; Wiring Diagram

Bertazzoni PRO366GASAR
31 pages
Print Icon
To Next Page IconTo Next Page
To Next Page IconTo Next Page
To Previous Page IconTo Previous Page
To Previous Page IconTo Previous Page
Loading...
12
ELECTRICALCONNECTION
This unit is manufactured for a polarized,
grounded120volt/60Hz,16ampsystem.
Electricpowerconsumption is about300W.
The minimum of 102 VAC is required for proper
operationofgasignitionsystems.
The circuit must be grounded and properly
polarized.
The unit is equipped witth a SJT power
cord. In
case of replacement, the power cord shall be
replaced with one of the same type, size and
length.
ELECTRICALGROUNDING
Thisapplianceisequippedwithathreeprong
plugforyourprotectionagainstshockhazardand
shouldbepluggeddirectlyintoaproperly
groundedsocket.Donotcut
orremovethe
groundingprongfromthisplug.
WARNING!
ELECTRICALSHOCKHAZARD
Disconnectelectricalpowe ratthecircuit
breakerboxorfuseboxbeforeinstallingthe
appliance.
Provideappropriategroundfortheappliance.
Usecopperconductorsonly.
Failuretofollowtheseinstructionscouldresult
inseriousinjuryordeath
CAUTION
Labelallwirespriortodisconnectingwhen
servicingcontrols.Wiringerrorscancause
improperanddangerousoperation.
Verifyproperoperationafterservicing.
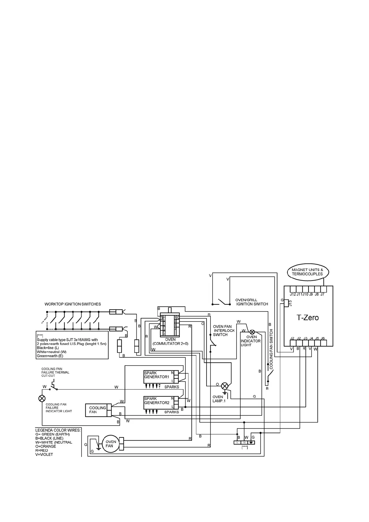
WIRINGDIAGRAM

Related product manuals