EasyManua.ls Logo

Bertazzoni PROF486GGASXTL - Wiring Diagram

Bertazzoni PROF486GGASXTL
48 pages
Print Icon
To Next Page IconTo Next Page
To Next Page IconTo Next Page
To Previous Page IconTo Previous Page
To Previous Page IconTo Previous Page
Loading...
11
/ Wiring diagram
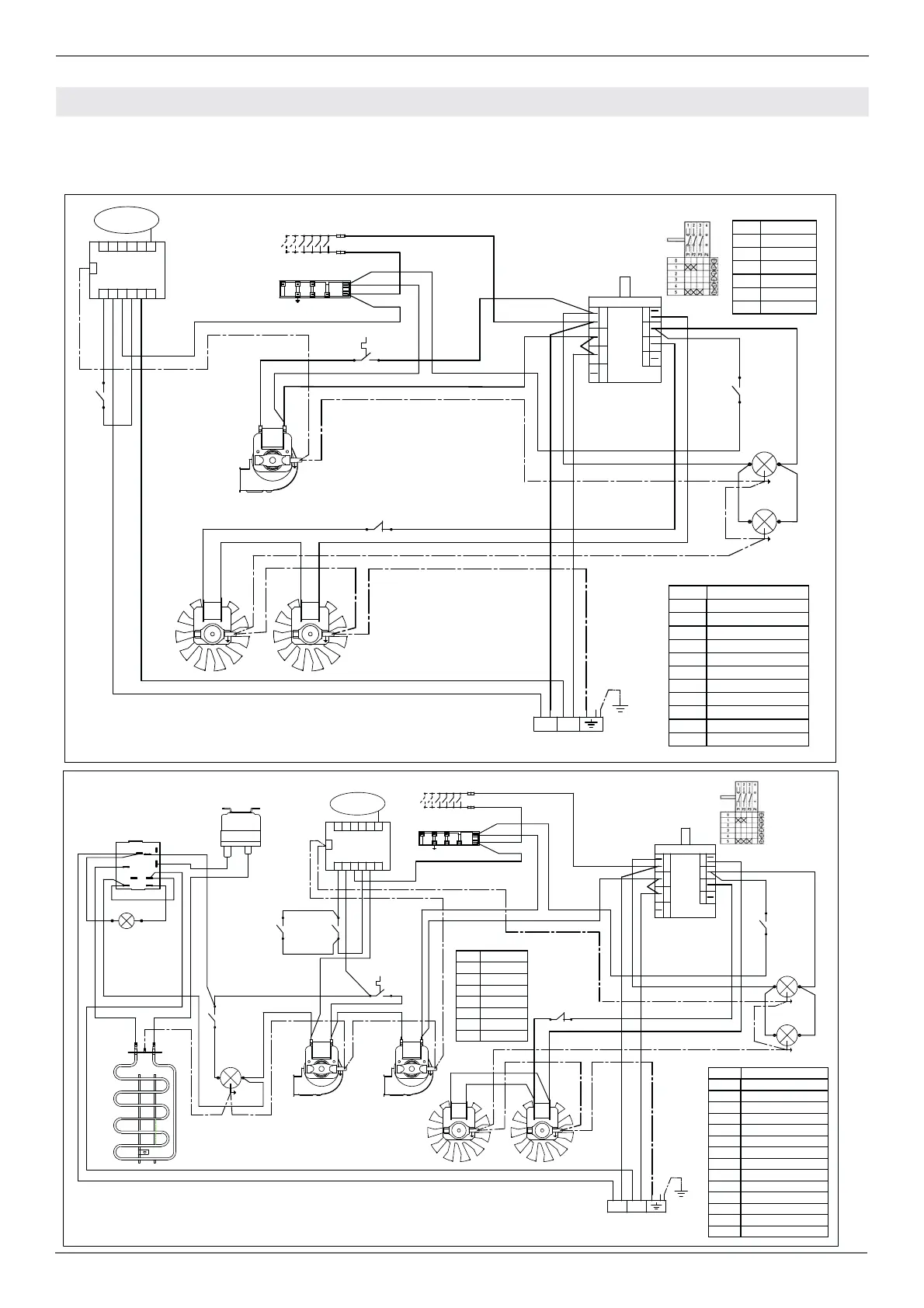
WIRING DIAGRAM
The electric wiring diagrams and schematics are attached behind the range, and should not be removed
except by a service technician, then replaced after service.
MV
1
2
3
4
P
2
P
1
P
3
P
4
COM
Comm.2+0
G
L
N
GV
M
Simb. Description
rRed
gr Green (earth)
v Violet
aOrange
n Black (line)
bi White (neutral)
COLOURS
Simb. Description
IGN Ignition Micro switches
INV Fan Oven Interlock
COM Oven Function Selector
G Spark Generator
ILF Oven lamp switch
KI Termal switch
LF Oven lamp
M Terminal Block
MV Fan motor
MVT Cooling fan motor
T-Z T-zero
LEGENDA
a
a
r
r
bi
m
n
bi
gv
bi
n
gv
MVT
KI
bi
n
J13
J1 J2 J3 J4 J5 J6
MAGNET UNITS &
TERMOCOUPLES
J12 J11J10 J9 J8 J7
T-Z
MV
IGN
INV
ILF
LF
LF
IGN
v
r
n
n
gr
gv
3071063
MV
1
2
3
4
P
2
P
1
P
3
P
4
COM
Comm.2+0
G
L
N
GV
M
Simb. Description
rRed
gr Green (earth)
bBlue
v Violet
aOrange
n Black (line)
bi White (neutral)
COLOURS
Simb. Description
IGN Ignition Micro switches
INV Fan Oven Interlock
COM Oven Function Selector
G Spark Generator
GE Griddle Thermostat
ILF Oven lamp switch
KI Termal switch
LF Oven lamp
M Terminal Block
MV Fan motor
MVT Cooling fan motor
RGR Griddle element
TSS Safety Thermostat
T-Z T-zero
LEGENDA
a
a
r
r
bi
n
bi
gv
bi
gv
bi
J13
J1 J2 J3 J4 J5 J6
MAGNET UNITS &
TERMOCOUPLES
J12 J11J10 J9 J8 J7
T-Z
MV
IGN
left
INV
ILF
left
LF
left
LF
left
IGN
v
r
n
n
gv
gv
RGR
TSS
1
2
ILF
right
LF
right
MVT
right
S
GE
IGN
right
KI
MVT
left
b
a
a
n
n
bi
bi
n
bi
bi
r
r
a
r
n
3071064

Related product manuals