EasyManua.ls Logo

BFT DEIMOS 300 BT - MENU ACCESS; MENU PARAMÈTRES; MENU LOGIQUES

BFT DEIMOS 300 BT
14 pages
Print Icon
To Next Page IconTo Next Page
To Next Page IconTo Next Page
To Previous Page IconTo Previous Page
To Previous Page IconTo Previous Page
Loading...
Fermature
Overture
N?P?
N?P?
N?P?
JMEGAJMEGA
JMEGA
JMEGA
'2
$0
"#3
#,%
CQN
OK
OK
OK
OK
OK
-
+
-
+
-
+
-
+
?BHQR?PR
RMSAFCA?AFCCPCJ?AFCPMI
RMSAFCBCQGPCC
.0%
CDD?ACP
!-"06
!
OK
$"
OK
OK
?BHAF
+/-
Voir MENU
PARAMÈTRES
Voir MENU LOGIQUES
Voir MENU RADIO
P?BGM
DGL
DGL
DGL
DGL
DGL
J?LESC
.0%
DGL
BCD?SJR
MI
RMSAFCA?AFCCPCJ?AFCP
RMSAFCBCQGPCC
T
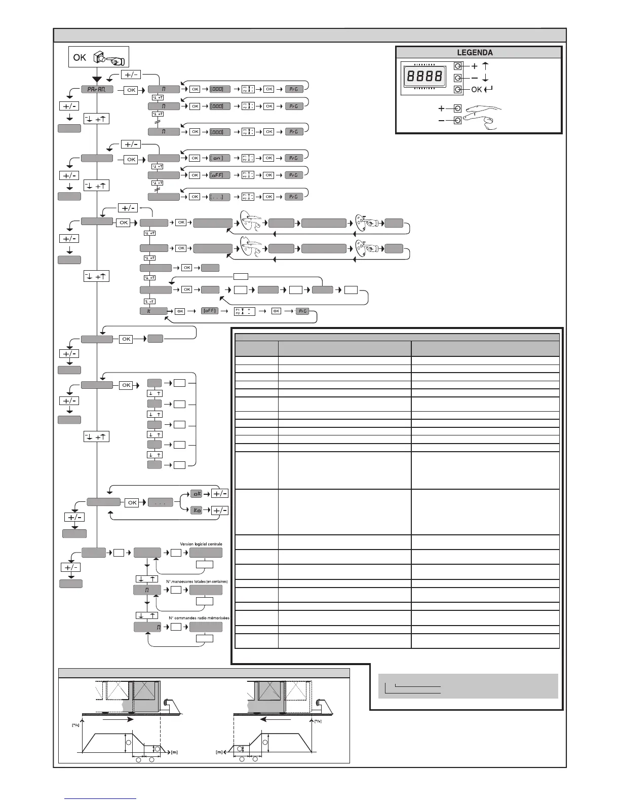
Sortir du menu
Confirmation /
Allumage aicheur
Monter
Descendre
x 2
-
+
-
+
OK OK
QR?R
TCPQ
@DR
+/-
OK

+/-
+/-
L?L
OK

LRCJCAM
ACCES AUX MENUS Fig. 1
DGL
?SRMQCR
A
F
D
C
B
E
C
F
Fig.2
DIAGNOSTIC ET SIGNALISATIONS
CODE DE
DIAGNOSTIC
DESCRIPTION REMARQUE
ped
activation entrée PIÉTONS
STRE
activation entrée START
stop
activation entrée STOP
phot
activation entrée PHOT
bar
activation entrée LINTEAU
bar2
Activation entrée Linteau sur moteur Slave
(connexion vantaux opposés)
cls
activation entrée CLOSE
open
activation entrée OPEN
rls
activation déverrouillage mécanique vériez la position du déverrouillage
svo
activation entrée n de course ouverture
svc
activation entrée n de course fermeture
srcp
la carte attend avant d’accomplir une manœuvre
complète d’ouverture-fermeture
sans arrêts intermédiaires à vitesse duite pour
trouver les butées mécaniques
ATTENTION ! La détection de lobstacle nest pas active
La carte a été éteinte et rallumée
set
La carte attend d’accomplir une manœuvre com-
plète d’ouverture-fermeture sans être interrom-
pue par des arrêts intermédiaires pour obtenir le
couple nécessaire au mouvement.
Attention! Fonction de détection des obsta-
cles n’étant pas active
Er01
erreur test photocellules
vérier connexion photocellules et/ou congurations
logiques
Er02
erreur test linteau
rifier connexion linteau et/ou configurations
logiques
Er05
erreur test linteau sur moteur Slave (connexion
vantaux opposés)
rifier connexion linteau et/ou configurations
paramètres/logiques
Er1x*
erreur test matériel carte vérier les connexions sur le moteur
er3x*
inversion pour obstacle vérier éventuels obstacles le long du parcours
Er4x*
erreur thermique Attendre le refroidissement du moteur
Er5x*
anomalie communication avec dispositifs à
distance
vérier connexions série Scs1
ER61
fonctionnement sur batterie --
ErFx*
erreur position
- essayez d’accomplir une manœuvre
- si le problème persiste répétez l’autoconguration
* X = 0,1,…,9,A,B,C,D,E,F
35.40
Seuil de couple conguré
Couple instanta maximum du moteur
22 - DEIMOS 300 BT
D811793 00100_01

Related product manuals